Запчасти Case 336B (16) - 336BD NATURALLY ASPIRATED ENGINES, CYLINDER BLOCK, BLOCK

Схема запчастей Case 336B - (16) - 336BD NATURALLY ASPIRATED ENGINES, CYLINDER BLOCK, BLOCK
9
6
11
42
45
3
8
1
22
21
11
20
4
26
43
5
14
9
12
8
23
2
10
19
13
4
3
7
41
15
18
FIT
1:1
100%

Артикул

Название

Примечание

Количество

A58529

ENGINE ASSY - Model 35 crawler "B" series

1шт.

A43145

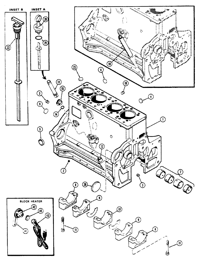
BLOCK

ASSY - cylinder, short (336BD eng.) (Replaces A43066) (Incl. stripped block, camshaft, conn. rods & brgs., piston, crankshaft & brgs. & timing gears), Includes: Ref. 1 - 15

1шт.

1

A42004

BLOCK

ASSY - stripped (Casting #A58505) (Replaces A46017)

1шт.

2

221-1849

PLUG

- pipe, 1/8" P.T., hex. sckt. hd.

3шт.

3

221-1843

PLUG

- pipe (3/8" P.T., hex. sckt. hd.)

3шт.

4

A58568

PLUG,Cup, 1 3/8", Stainless

- water gallery (1-3/8" cup)

2шт.

5

A58569

PLUG,Cup, 2", Stainless

- 2" cup

1шт.

6

A24361

PLUG

- 2-3/8" cup type (Rear camshaft hole)

1шт.

7

A23577

KIT

BUSHING KIT - camshaft

1шт.

8

A58562

CAP

- main bearing, wide (Front & rear)

2шт.

9

A58563

CAP

- main bearing, narrow (Intermediate)

2шт.

10

A58564

CAP

- main bearing, thrust (Center)

1шт.

11

A58566

STEP BOLT

BOLT - 5/8 x 4-1/2" N.C. (Special)

10шт.

12

A34540

TUBE

- oil filler & dipstick (4" long) (See ref. 18)

1шт.

13

A65778

TUBE

EXTENSION - oil filler tube (9-1/2" long) (See ref. 18)

1шт.

14

A27342

O-RING,1.109" ID x 1.387" OD x 0.139"

"O" RING - 1-1/8 x 1-3/8 x 1/8"

1шт.

15

214-256

HOSE CLAMP,#20, 0.81" - 1.75", Type F Worm

CLAMP - hose, 1-3/16 to 1-3/4"

1шт.

18

A61842

TUBE

- oil filler & dipstick (11-3/4" long) (Long one piece tube used in production instead of short tube & extension ) (Can be ordered separate if required)

1шт.

19

221-845

PLUG,Hex Soc, 3/4"-14

- pipe, 3/4" hex. socket head (Used w/o turbo)

1шт.

20

A34541

DIPSTICK

- oil level ("O" ring type) (See Inset A), Includes: Ref. 21

1шт.

21

F62075

O-RING,0.139" Thk x 0.734" ID, -210, Cl 5, 75 Duro

"O" RING - 3/4 x 1 x 1/8"

2шт.

22

A67028

DIPSTICK

ASSY - (Turntite type) (See Inset B) (Replaces A22589)

1шт.

23

41-1022

PLUG,Cup, 1 3/8"

- 1-3/8" cup

1шт.

26

41-1052

PLUG,Cup, 3 1/4"

- cover, pump opening (3-1/4" cup type)

1шт.

A44812

HEATER

ASSY - block (Replaces A42279), Includes: Ref. 41 - 43

1шт.

41

NSS

NOT SOLD SEPARAT

ELEMENT ASSY - heater, block

1шт.

42

A7156

O-RING,0.139" Thk x 1.734" ID, -224, Cl 6, 90 Duro

"O" RING - 1-3/4 x 2 x 1/8", block heater

1шт.

43

A44813

CABLE EXTENSION

CORD ASSY - heater, w/plugs (Replaces A42297), block

1шт.

A44006

SLEEVE

KIT - block heater adapter, Includes: Ref. 45

1шт.

45

NSS

NOT SOLD SEPARAT

SLEEVE - For 2-1/16" dia. block heater hole

1шт.

45

NSS

NOT SOLD SEPARAT

SLEEVE - For 2-1/8" dia. block heater hole

1шт.

Выбрано товаров: 31