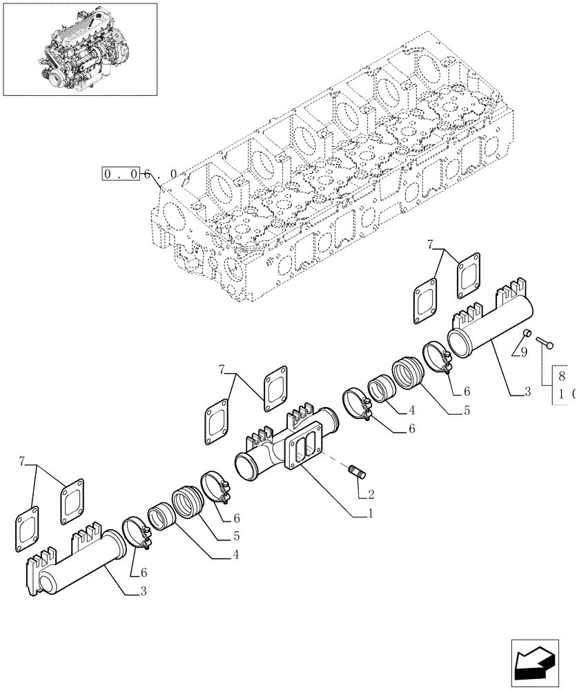
Запчасти Case F2CE9684C E002 (0.07.8[01]) - EXHAUST MANIFOLD (500322365)

Схема запчастей Case F2CE9684C E002 - (0.07.8[01]) - EXHAUST MANIFOLD (500322365)
7
6
7
6
6
10
6
0.06.0
7
5
2
4
8
1
5
4
3
3
9
FIT
1:1
100%

Артикул

Название

Примечание

Количество

1

500306971

EXHAUST MANIFOLD

1шт.

2

16731370

STUD

M10 x 30

4шт.

3

99453911

EXHAUST MANIFOLD

2шт.

4

2859382

LOCKING RING

2шт.

5

99454992

RING

2шт.

6

500305814

HOSE CLIP

4шт.

7

504154202

GASKET

6шт.

8

99443210

SCREW,M10 x 1.5 x 40

24шт.

9

504074155

SPACER

24шт.

10

504078465

FLANGE BOLT,M10 x 1.5 x 70mm

24шт.

Выбрано товаров: 10