Запчасти Case F2CE9684C E002 (0.37.0[01]) - ENGINE EXHAUST BRAKE (504223088)

Схема запчастей Case F2CE9684C E002 - (0.37.0[01]) - ENGINE EXHAUST BRAKE (504223088)
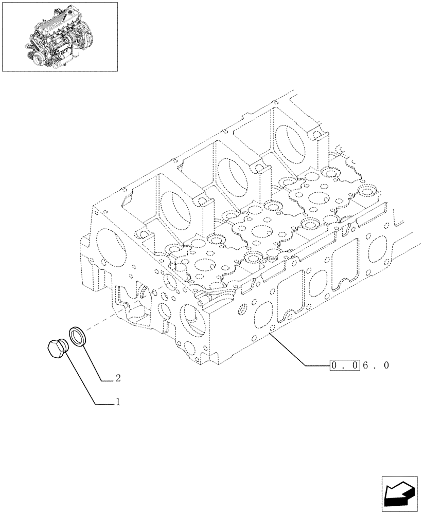
1
2
0.06.0
FIT
1:1
100%

Артикул

Название

Примечание

Количество

1

10300714

PLUG,M16 x 1.5 x 14

M16 x 1.5

1шт.

2

99489019

SEALING WASHER

1шт.

Выбрано товаров: 2