Запчасти Case F2CE9684C E015 (0.14.8) - INJECTOR & RELATED PARTS (504137249)

Схема запчастей Case F2CE9684C E015 - (0.14.8) - INJECTOR & RELATED PARTS (504137249)
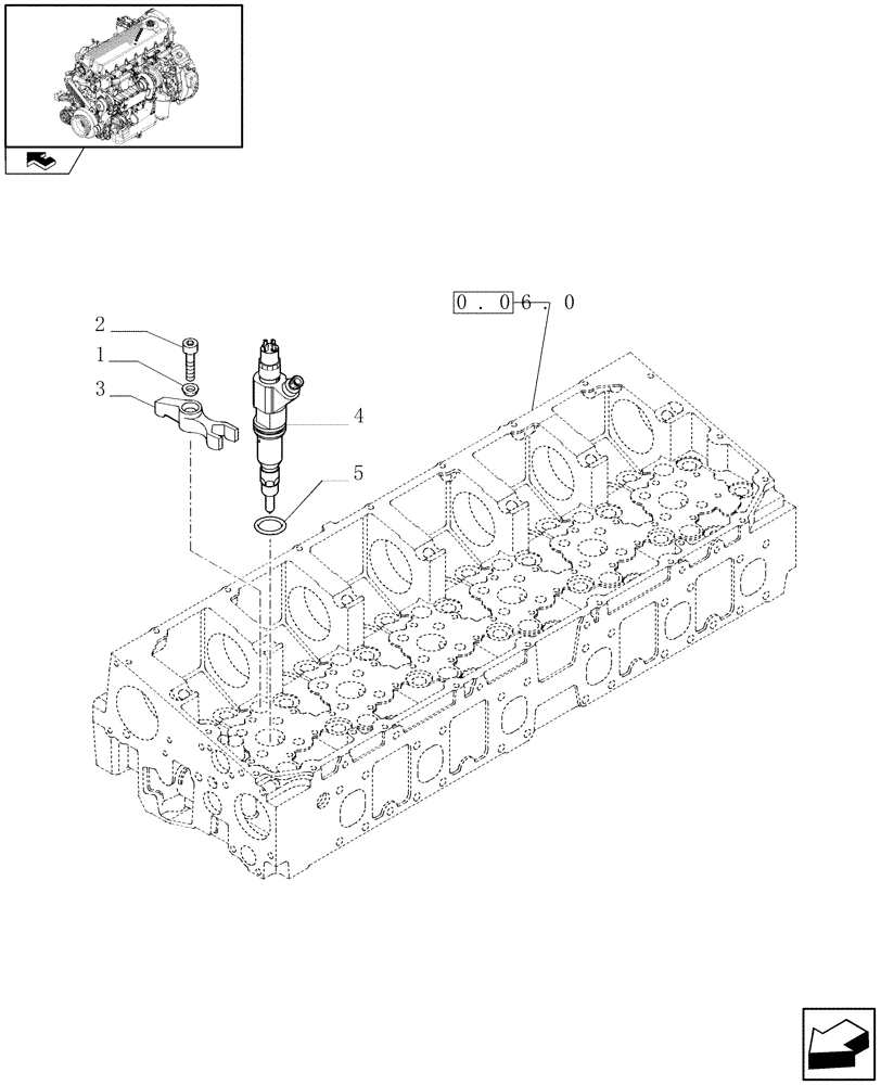
1
5
home
4
2
3
0.06.0
FIT
1:1
100%

Артикул

Название

Примечание

Количество

1

4700162

WASHER

6шт.

2

500356756

SCREW

6шт.

3

504127841

FASTENER

6шт.

4

504194432

FUEL SYSTEM INJECTOR

6шт.

4

504194432R

REMAN-INJECT NOZZLE

6шт.

4

504194432C

CORE-NOZZLE, INJECT

Return Number

6шт.

5

14463481

O-RING,1.109" ID x 0.139" Width

M28.17 x 3.53

6шт.

Выбрано товаров: 7