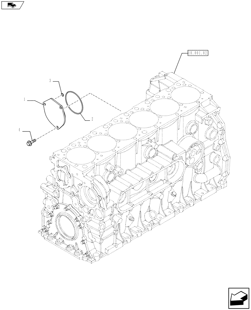
Запчасти Case F2CE9684C E017 (10.114.02) - BELT PULLEY DRIVE & COVER (504150293) (01) - ENGINE

Схема запчастей Case F2CE9684C E017 - (10.114.02) - BELT PULLEY DRIVE & COVER (504150293) (01) - ENGINE
2
4
home
1
3
10.001.02
FIT
1:1
100%

Артикул

Название

Примечание

Количество

1

504150292

COVER

1шт.

2

14466981

O-RING,0.139" Thk x 5.109" ID, -251, Cl 7, 75 Duro

D=126.59 x 3.53 mm

1шт.

3

14456881

O-RING,0.362" ID x 0.103" Width

D = 9.19 mm

1шт.

4

16677735

SCREW,M12 x 25mm

3шт.

Выбрано товаров: 0