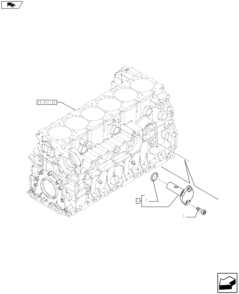
Запчасти Case F2CE9684C E017 (10.206.02 02) - OIL PRESSURE REGULATION VALVE (504191874) (01) - ENGINE

Схема запчастей Case F2CE9684C E017 - (10.206.02 02) - OIL PRESSURE REGULATION VALVE (504191874) (01) - ENGINE
home
1
3
10.001.02
2
FIT
1:1
100%

Артикул

Название

Примечание

Количество

1

504191876

VALVE

ASSY

1шт.

2

14463281

O-RING,0.984" ID x 0.139" Width

D = 24.9 x 3.5 mm

1шт.

3

18053625

SCREW,M8 x 16mm

M8 x 16

2шт.

Выбрано товаров: 3