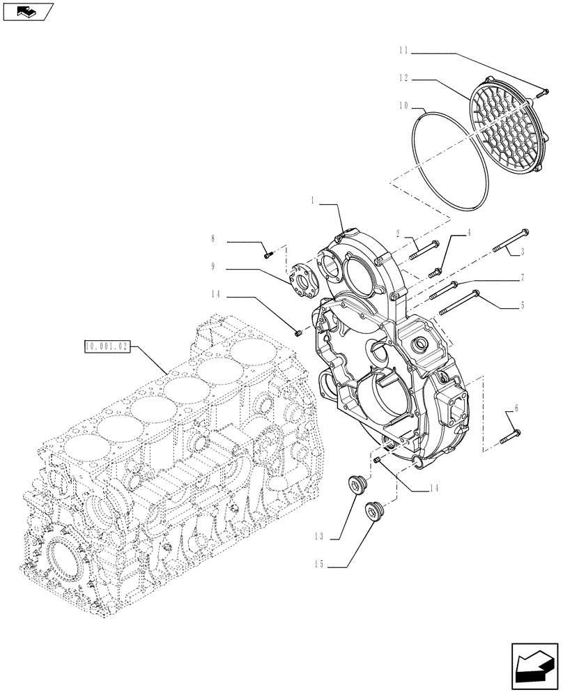
Запчасти Case F2CE9684C E020 (10.103.03) - CRANKCASE COVERS (504129217) (10) - ENGINE

Схема запчастей Case F2CE9684C E020 - (10.103.03) - CRANKCASE COVERS (504129217) (10) - ENGINE
4
11
10
5
14
3
12
8
1
15
10.001.02
9
13
home
2
6
14
7
FIT
1:1
100%

Артикул

Название

Примечание

Количество

1

504124669

HOUSING

1шт.

2

16593625

BOLT,M12 x 1.75 x 120mm

M12 x 120

1шт.

3

16599424

SCREW,M10 x 180mm

M10 x 180

1шт.

4

16587325

SCREW,Hex, M10 x 35mm

M10 x 35

3шт.

5

99475978

SCREW

M10 x 190

2шт.

6

2852327

BOLT,Flng, M12 x 1.75 x 80mm

M12 x 70

7шт.

7

16598925

SCREW,Hex, M10 x 110mm, Cl 8.8

M10 x 110

1шт.

8

16707334

BOLT,M8 x 30mm, Cl 10.9

M8 x 30

5шт.

9

504126747

FLANGE

1шт.

10

17301181

O-RING

M329.6 x 5.33

1шт.

11

16586525

BOLT,Hex, M8 x 30mm, Cl 8.8

M8 x 30

6шт.

12

504124620

COVER

1шт.

13

16992915

PLUG

M52 x 2

1шт.

14

500314968

DOWEL

M12

2шт.

15

17917240

PLUG

M42 x 2

1шт.

Выбрано товаров: 15