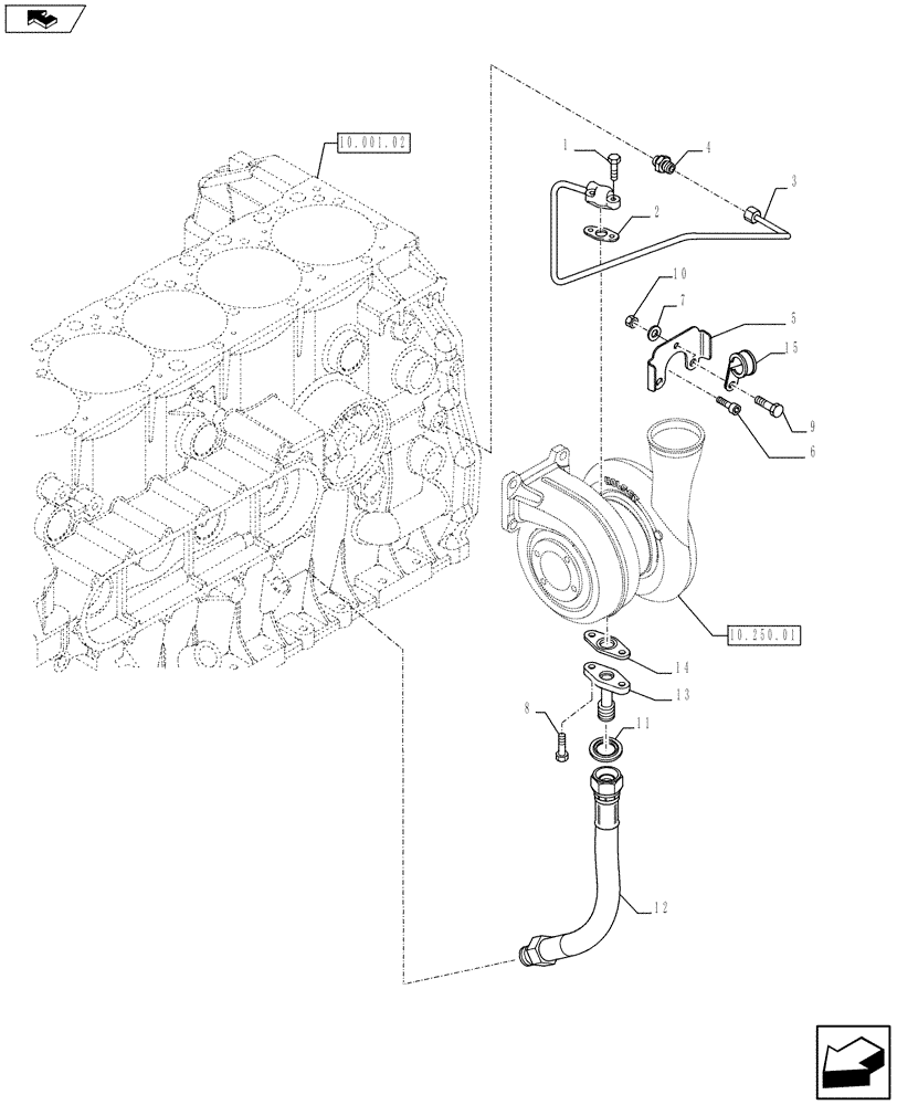
Запчасти Case F2CE9684C E020 (10.250.02[01]) - PIPING - TURBOCHARGER (504135380 - 99487300) (10) - ENGINE

Схема запчастей Case F2CE9684C E020 - (10.250.02[01]) - PIPING - TURBOCHARGER (504135380 - 99487300) (10) - ENGINE
10.001.02
10.250.01
7
10
11
3
6
1
8
2
4
15
5
14
12
9
13
home
FIT
1:1
100%

Артикул

Название

Примечание

Количество

1

504127256

TUBE

1шт.

2

504081275

HYD CONNECTOR

1шт.

3

16500114

UNION

M12 x 1,5 - M14 x 1,5

1шт.

4

99489017

GASKET,9.9mm ID x 20mm OD x 2.5mm Thk

D = 12 x 20 mm SP=1,5 mm

1шт.

5

504213767

RETAINER

1шт.

6

16691424

BOLT

2шт.

7

16666716

WASHER

1шт.

8

10450590

CLAMP,18mm, Coat, 9mm Bolt Hole, P Type

1шт.

9

16586325

BOLT,Hex, M8 x 20mm, Cl 8.8

M8 x 20 mm

1шт.

10

43362

NUT,M8 x 1.25, Cl 10

M8 x 1,25 mm

1шт.

11

500324053

HOSE

1шт.

12

99434480

SEAL

D = 30 x 40 mm

1шт.

Выбрано товаров: 12