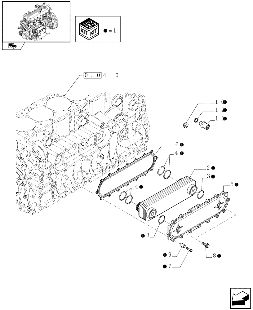
Запчасти Case F2CE9684D E013 (0.31.0) - HEAT EXCHANGER (504130575)

Схема запчастей Case F2CE9684D E013 - (0.31.0) - HEAT EXCHANGER (504130575)
1
3
0.04.0
4
home
1
9
1
1
7
1
1
1
1
2
11
12
10
3
8
1
6
1
1
4
1
5
1
1
1
FIT
1:1
100%

Артикул

Название

Примечание

Количество

1

504130575

HEAT EXCHANGER

ASSY

1шт.

2

504127469

OIL COOLER

1шт.

3

17283481

O-RING

42.5 x 2,6

2шт.

4

17289781

O-RING

47,22 x 3,55

4шт.

5

504127468

COVER

1шт.

6

504128027

GASKET

1шт.

7

16673835

BOLT,Hex, M8 x 30mm

16шт.

8

2856035

SCREW,Flng, M12 x 30mm, Cl 8.8

M12 x 30

2шт.

9

17816414

SPACER

D = 8,5 x 18 SP=20

16шт.

10

99433799

PLUG

M32 x 1,5

1шт.

11

98498322

THERMOSTAT

1шт.

12

98494952

GASKET,35mm ID x 1.5mm Thk

M35 x 1,5

1шт.

Выбрано товаров: 12