Качественные детали и логистика
Оригинальные и аналоговые запчасти с доставкой по России, Казахстану и Беларуси
©2022 PartSell ООО "Система" ИНН 2463123282 ОГРН 1212400004838
Центральный офис: г. Красноярск, Академика Киренского, д.87, пом.4
Телефон: 8 (800) 777-65-74 Email: zakaz@partsell.ru
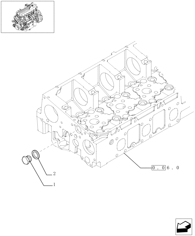
(0.37.0[01]) - ENGINE EXHAUST BRAKE (504223088)
№
Артикул
Название
Примечание
Количество
1
10300714
PLUG,M16 x 1.5 x 14
M16 x 1.5
1шт.
2
99489019
SEALING WASHER
Выбрано товаров: 0