Запчасти Case F2CE9684E E015 (0.14.8) - INJECTOR & RELATED PARTS (504137249)

Схема запчастей Case F2CE9684E E015 - (0.14.8) - INJECTOR & RELATED PARTS (504137249)
0.06.0
1
home
2
4
3
5
FIT
1:1
100%

Артикул

Название

Примечание

Количество

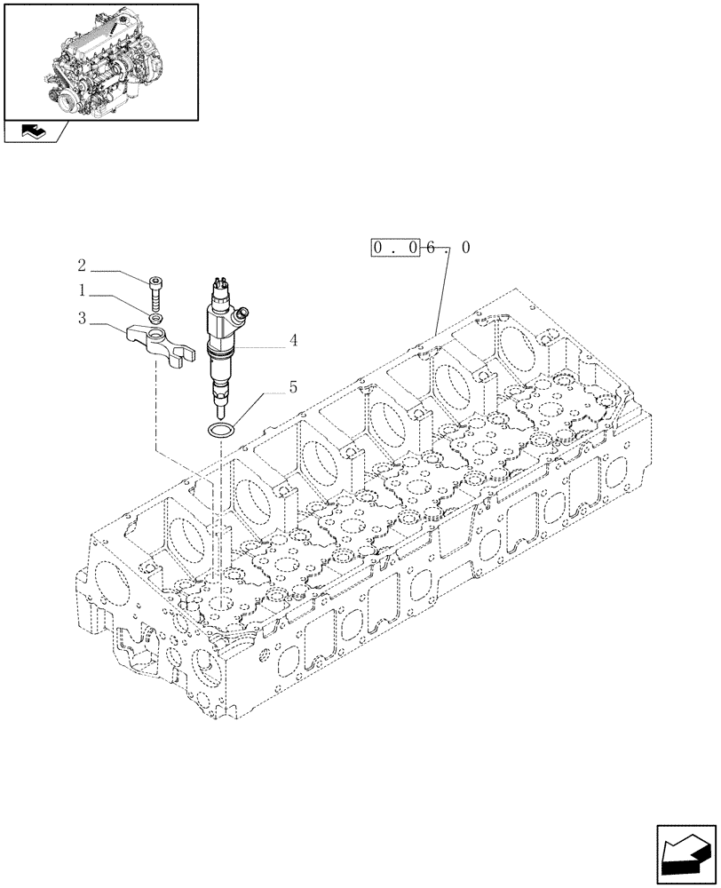
1

4700162

WASHER

6шт.

2

500356756

SCREW

6шт.

3

504127841

FASTENER

6шт.

4

504194432

FUEL SYSTEM INJECTOR

6шт.

4

504194432R

REMAN-INJECT NOZZLE

6шт.

4

504194432C

CORE-NOZZLE, INJECT

Return Number

6шт.

5

14463481

O-RING,1.109" ID x 0.139" Width

M28.17 x 3.53

6шт.

Выбрано товаров: 7