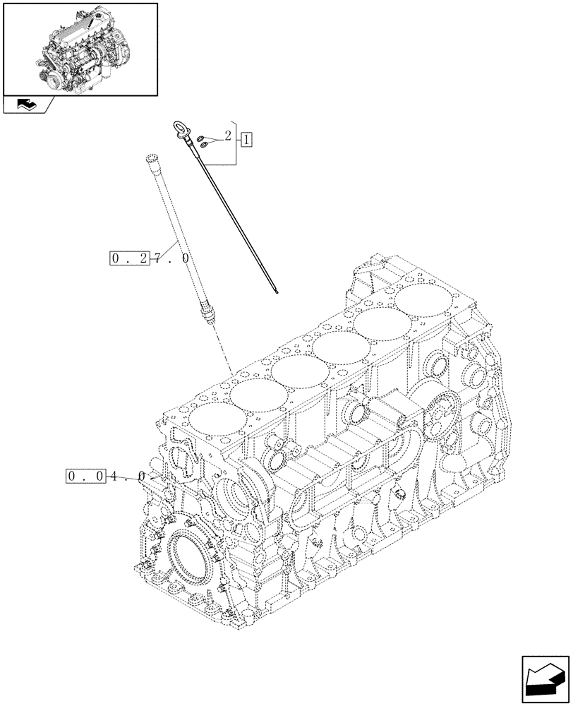
Запчасти Case F2CE9684E E015 (0.27.1) - OIL DIPSTICK (504210044)

Схема запчастей Case F2CE9684E E015 - (0.27.1) - OIL DIPSTICK (504210044)
1
home
0.27.0
0.04.0
2
FIT
1:1
100%

Артикул

Название

Примечание

Количество

1

504210044

DIPSTICK

ASSY

1шт.

2

504027969

SEALING RING

SEALRING

2шт.

Выбрано товаров: 0