Качественные детали и логистика
Оригинальные и аналоговые запчасти с доставкой по России, Казахстану и Беларуси
©2022 PartSell ООО "Система" ИНН 2463123282 ОГРН 1212400004838
Центральный офис: г. Красноярск, Академика Киренского, д.87, пом.4
Телефон: 8 (800) 777-65-74 Email: zakaz@partsell.ru
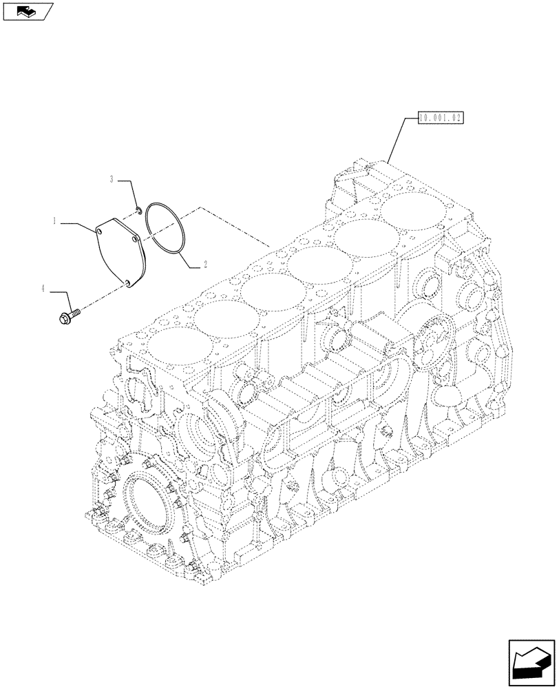
(10.114.02) - BELT PULLEY DRIVE & COVER (504150293)
№
Артикул
Название
Примечание
Количество
1
504150292
COVER
1шт.
2
14466981
O-RING,0.139" Thk x 5.109" ID, -251, Cl 7, 75 Duro
D=126.59 x 3.53 mm
3
14456881
O-RING,0.362" ID x 0.103" Width
D = 9.19 mm
4
16677735
SCREW,M12 x 25mm
3шт.
Выбрано товаров: 4