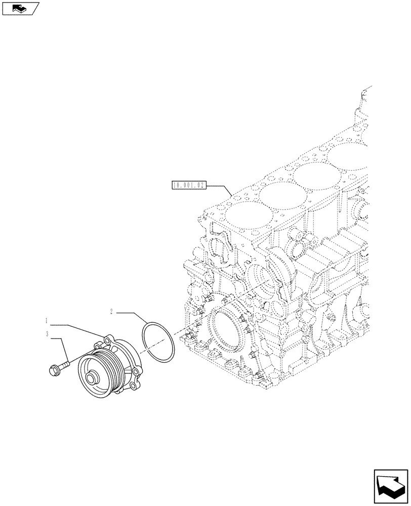
Запчасти Case F2CE9684E E017 (10.402.02) - WATER PUMP & RELATED PARTS (99468768) (01) - ENGINE

Схема запчастей Case F2CE9684E E017 - (10.402.02) - WATER PUMP & RELATED PARTS (99468768) (01) - ENGINE
10.001.02
1
home
2
3
FIT
1:1
100%

Артикул

Название

Примечание

Количество

1

99483937

WATER PUMP

1шт.

2

17291781

GASKET

M110.72 x 3.53

1шт.

3

16586425

BOLT,M8 x 25mm

M8 x 25

4шт.

Выбрано товаров: 3