Запчасти Case F2CE9684E E017 (10.408.01) - HEAT EXCHANGER (504130575) (01) - ENGINE

Схема запчастей Case F2CE9684E E017 - (10.408.01) - HEAT EXCHANGER (504130575) (01) - ENGINE
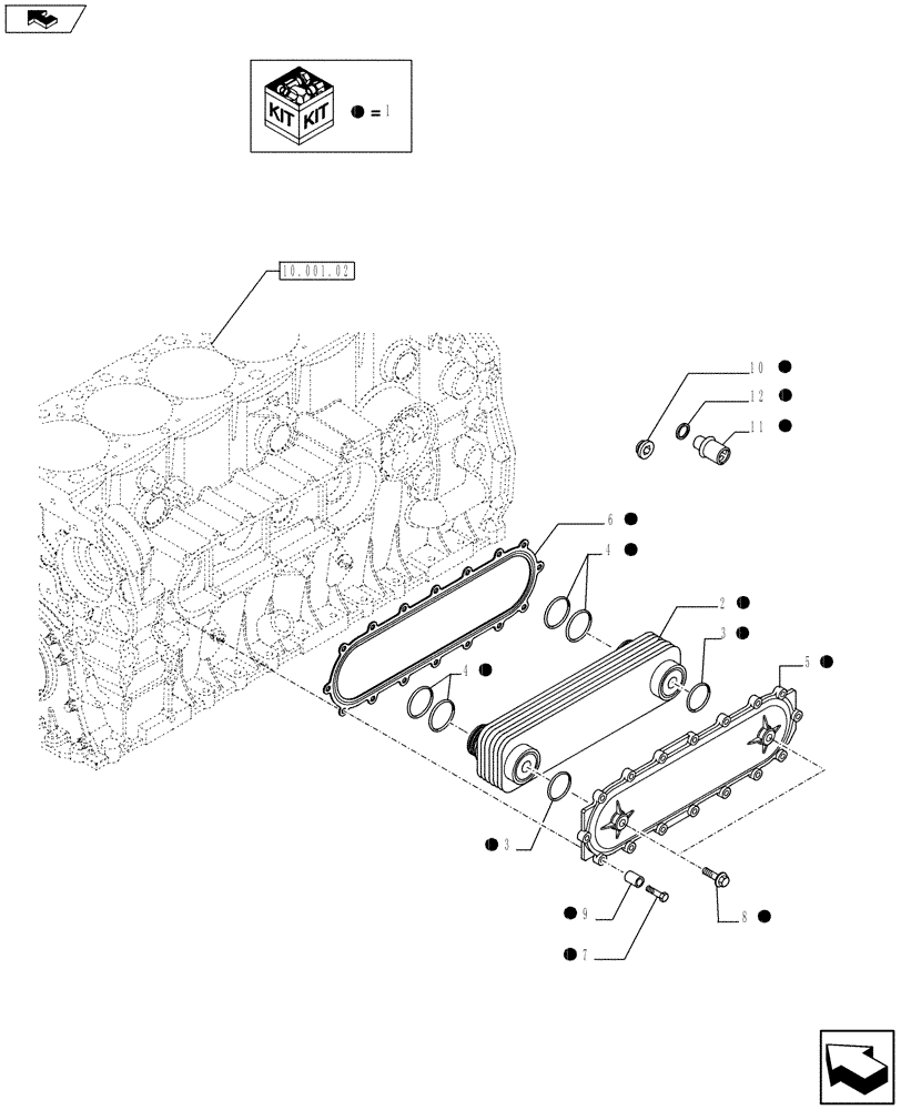
1
12
1
2
8
6
1
1
1
1
1
11
3
10
5
3
4
1
1
1
1
1
1
4
9
1
10.001.02
1
home
7
FIT
1:1
100%

Артикул

Название

Примечание

Количество

1

504130575

HEAT EXCHANGER

ASSY

1шт.

2

504127469

OIL COOLER

1шт.

3

17283481

O-RING

42.5 x 2,6mm

2шт.

4

17289781

O-RING

47,22 x 3,55mm

4шт.

5

504127468

COVER

1шт.

6

504128027

GASKET

1шт.

7

16673835

BOLT,Hex, M8 x 30mm

16шт.

8

2856035

SCREW,Flng, M12 x 30mm, Cl 8.8

M12 x 30mm

2шт.

9

17816414

SPACER

D = 8,5 x 18 mm SP=20 mm

16шт.

10

99433799

PLUG

M32 x 1,5

1шт.

11

98498322

THERMOSTAT

1шт.

12

98494952

GASKET,35mm ID x 1.5mm Thk

M35 x 1,5

1шт.

Выбрано товаров: 12