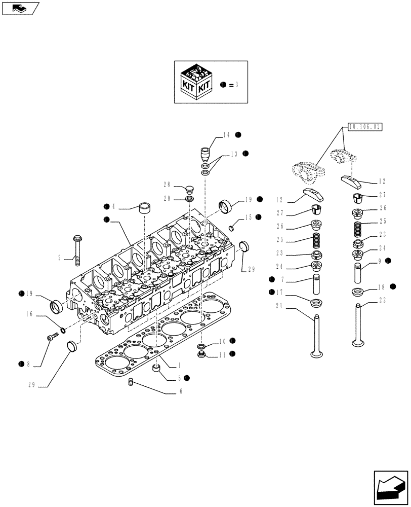
Запчасти Case F2CE9684E E017 (10.101.01) - CYLINDER HEAD & RELATED PARTS (504129013 - 504029659 - 504129140) (01) - ENGINE

Схема запчастей Case F2CE9684E E017 - (10.101.01) - CYLINDER HEAD & RELATED PARTS (504129013 - 504029659 - 504129140) (01) - ENGINE
15
3
3
3
24
23
9
3
27
3
26
29
2
7
27
25
3
3
5
3
10
25
3
29
21
23
3
home
28
24
26
3
3
11
3
18
17
12
3
14
10.106.02
12
19
4
3
3
1
13
22
20
6
19
3
16
8
FIT
1:1
100%

Артикул

Название

Примечание

Количество

1

504385500

CYLINDER HEAD GASKET

1шт.

2

500354580

BOLT

26шт.

3

504217380

CYLINDER HEAD

ASSY

1шт.

4

504344694

PLUG,M25, Tapered

D = 25 mm

12шт.

5

16991370

PLUG

D = 45 mm

2шт.

5

16990570

PLUG

D = 20 mm

6шт.

6

500314967

DOWEL

D = 10 mm

2шт.

7

500391440

INTAKE VALVE GUIDE

12шт.

7

500391441

OVERSIZE INLET VALVE

+ 0.2

12шт.

7

500391442

OVERSIZE INLET VALVE

+ 0.4

12шт.

8

4864083

BANJO BOLT,M14 x 1.5 x 30mm

1шт.

9

500391436

EXHAUST VALVE GUIDE

12шт.

9

500391437

VALVE, EXHAUST, OVER

+ 0.2

12шт.

9

500391438

VALVE, EXHAUST, OVER

+ 0.4

12шт.

10

2855325

SEAL

12 x 20 x 1,5

1шт.

11

16992215

PLUG

M12 x 1.5

1шт.

12

504131444

BRIDGE

12шт.

13

14453881

O-RING,23.52mm ID x 1.78" Width

M23.5 x 1.7

12шт.

14

504127833

NOZZLE HOLDER

6шт.

15

504138062

PLUG

1шт.

16

98474308

SEALING WASHER,16mm ID x 22mm OD x 1.5mm Thk

1шт.

17

99456802

VALVE SEAT

STD

12шт.

18

99447343

VALVE SEAT

STD

12шт.

19

504125778

BUSHING

7шт.

20

87665413

SEALING WASHER,7.9mm ID x 17.0mm OD x 1.5mm Thk

10 x 20 x 1,5

1шт.

21

504127798

STD INLET VALVE

STD ENGINE INLET VALVE

12шт.

22

504127799

STD EXHAUST VALVE

STD ENGINE EXHAUST VALVE

12шт.

23

504129182

SPRING SEAT

24шт.

24

40101574

GASKET

24шт.

25

504125776

VALVE SPRING

24шт.

26

504127797

SPRING CUP

24шт.

27

98499819

ROCKER ARM COTTER

48шт.

28

16992115

PLUG,Threaded, M10 x 1

M10 x 1

1шт.

29

16990870

PLUG

D = 28 mm

3шт.

Выбрано товаров: 34