Качественные детали и логистика
Оригинальные и аналоговые запчасти с доставкой по России, Казахстану и Беларуси
©2022 PartSell ООО "Система" ИНН 2463123282 ОГРН 1212400004838
Центральный офис: г. Красноярск, Академика Киренского, д.87, пом.4
Телефон: 8 (800) 777-65-74 Email: zakaz@partsell.ru
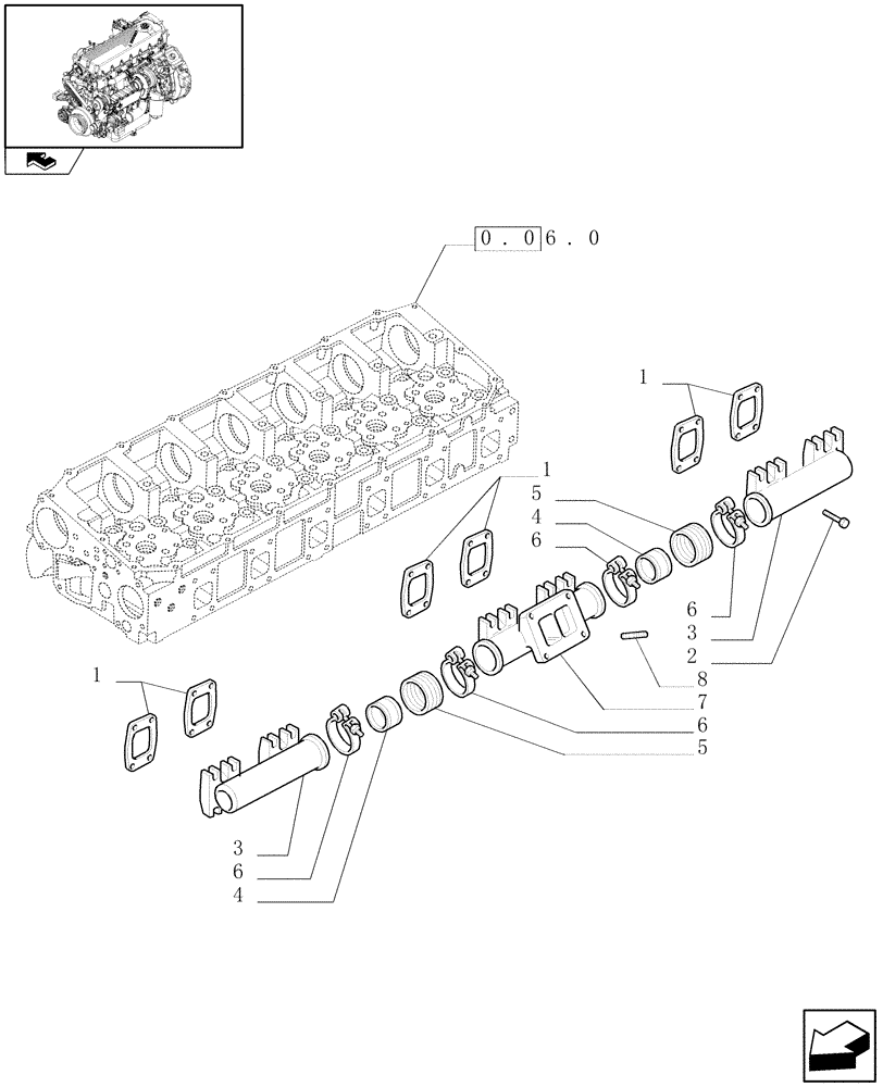
(0.07.8) - EXHAUST MANIFOLD (500322365)
№
Артикул
Название
Примечание
Количество
1
504154202
GASKET
6шт.
2
504030843
EXHAUST MANIFOLD
M10X40
24шт.
3
99453911
2шт.
4
2859382
LOCKING RING
5
99454992
RING
6
500305814
HOSE CLIP
4шт.
7
500306971
1шт.
8
16731270
STUD
M10X25
Выбрано товаров: 0