Запчасти Case F2CE9684H E003 (0.14.9) - INJECTION EQUIPMENT - PIPING (504129899)

Схема запчастей Case F2CE9684H E003 - (0.14.9) - INJECTION EQUIPMENT - PIPING (504129899)
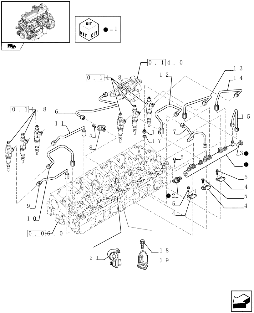
1
3
5
7
12
9
6
10
15
5
5
0.14.8
0.06.0
4
14
13
1
home
19
2
16
4
8
5
1
4
18
1
17
0.14.0
0.14.8
5
11
1
21
FIT
1:1
100%

Артикул

Название

Примечание

Количество

1

504124845

ACCUMULATOR

- ASSY

1шт.

2

504157020

SENSOR

1шт.

3

504130662

VALVE

1шт.

4

504165892

SPACER

3шт.

5

16586425

BOLT,M8 x 25mm

M8 x 25

3шт.

5

16585825

SCREW,M6 x 20mm

M6 x 20

2шт.

5

16690624

SCREW,M8 x 25mm

6шт.

6

504126977

PIPE

1шт.

7

504126978

PIPE

1шт.

8

504174173

FITTING

1шт.

9

504126981

INJECTION PIPE

1шт.

10

504126982

INJECTION PIPE

1шт.

11

504126983

INJECTION PIPE

1шт.

12

504126984

INJECTION PIPE

1шт.

13

504126985

INJECTION PIPE

1шт.

14

504126986

INJECTION PIPE

1шт.

15

504127531

RETURN PIPE

1шт.

16

504154956

FITTING

1шт.

17

98474305

SEALING WASHER

D=10 x 17 x 2.3 mm

1шт.

18

167070341

1шт.

19

504229845

BRACKET

1шт.

21

504235264

BRACKET

1шт.

Выбрано товаров: 0