Качественные детали и логистика
Оригинальные и аналоговые запчасти с доставкой по России, Казахстану и Беларуси
©2022 PartSell ООО "Система" ИНН 2463123282 ОГРН 1212400004838
Центральный офис: г. Красноярск, Академика Киренского, д.87, пом.4
Телефон: 8 (800) 777-65-74 Email: zakaz@partsell.ru
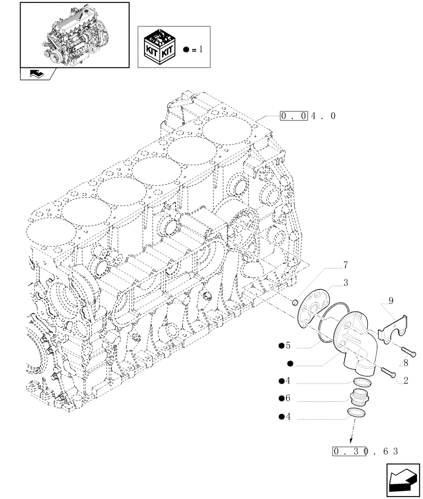
(0.30.2) - FILTER ENGINE OIL (504221058)
№
Артикул
Название
Примечание
Количество
1
504190449
BRACKET
1шт.
2
16586525
BOLT,Hex, M8 x 30mm, Cl 8.8
M8 x 30
2шт.
3
504147366
GASKET
4
99434480
SEAL
D = 30 x 40 mm
5
17291881
M113.89 x 3.53
6
504037176
FITTING
M30 x 2
7
17816414
SPACER
D = 8,5 x 18 SP=20
8
16592224
SCREW,M8 x 55mm
M8 x 55
9
504213767
RETAINER
Выбрано товаров: 0