Запчасти Case F2CE9684P E007 (0.07.8) - EXHAUST MANIFOLD (504168329)

Схема запчастей Case F2CE9684P E007 - (0.07.8) - EXHAUST MANIFOLD (504168329)
9
7
5
4
0.06.0
3
4
6
3
1
2
6
6
1
home
1
10
8
6
5
FIT
1:1
100%

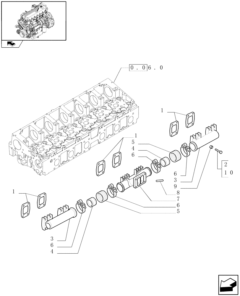
Артикул

Название

Примечание

Количество

1

504154202

GASKET

6шт.

2

99443210

SCREW,M10 x 1.5 x 40

24шт.

3

504030843

EXHAUST MANIFOLD

2шт.

4

2859382

LOCKING RING

2шт.

5

99454992

RING

2шт.

6

500305814

HOSE CLIP

4шт.

7

504317679

EXHAUST MANIFOLD

1шт.

8

16731370

STUD

M10 x 25

4шт.

9

504074155

SPACER

24шт.

10

504078465

FLANGE BOLT,M10 x 1.5 x 70mm

24шт.

Выбрано товаров: 10