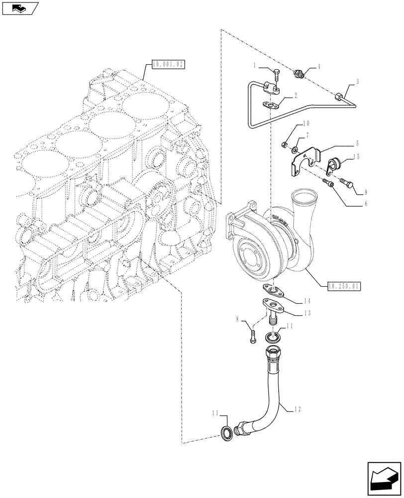
Запчасти Case F2CE9684P E024 (10.250.02[01]) - PIPING - TURBOCHARGER (504212386 - 504212384) (10) - ENGINE

Схема запчастей Case F2CE9684P E024 - (10.250.02[01]) - PIPING - TURBOCHARGER (504212386 - 504212384) (10) - ENGINE
9
11
11
10
7
1
6
12
10.001.02
home
10.250.01
5
15
4
14
13
8
3
2
FIT
1:1
100%

Артикул

Название

Примечание

Количество

1

16586625

BOLT,M8 x 35mm

M8 X 35

2шт.

2

61318303

GASKET

1шт.

3

504188873

HYD TUBE

1шт.

4

504081274

HYD CONNECTOR

1шт.

5

504213767

RETAINER

1шт.

6

16691424

BOLT

M8 X 65

2шт.

7

16666716

WASHER

1шт.

8

16673735

BOLT,Hex, M8 x 1.25 x 25mm

2шт.

9

16673635

BOLT,Hex, M8 x 1.25 x 20mm, Full Thd

M8 x 20

1шт.

10

43362

NUT,M8 x 1.25, Cl 10

1шт.

11

99434480

SEAL

1шт.

12

504210618

HOSE

1шт.

13

500333923

FLANGE

1шт.

14

98412509

GASKET,0.8mm Thk

1шт.

15

9706748

CLAMP,15.9mm, Coat, 8.7mm Bolt Hole, P Type

1шт.

Выбрано товаров: 0