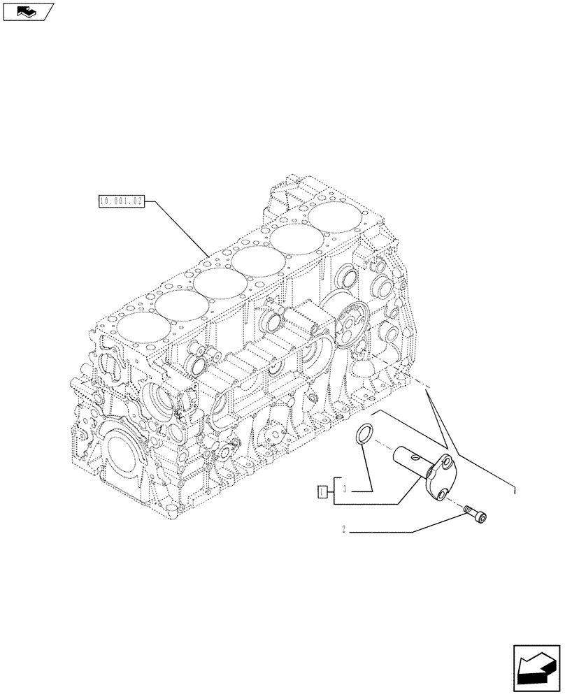
Запчасти Case F2CE9684P E024 (10.304.04) - OIL PRESSURE REGULATION VALVE (504191874) (10) - ENGINE

Схема запчастей Case F2CE9684P E024 - (10.304.04) - OIL PRESSURE REGULATION VALVE (504191874) (10) - ENGINE
2
1
3
home
10.001.02
FIT
1:1
100%

Артикул

Название

Примечание

Количество

1

504191876

VALVE

1шт.

2

18053625

SCREW,M8 x 16mm

M8 x 16

2шт.

3

14463281

O-RING,0.984" ID x 0.139" Width

1шт.

Выбрано товаров: 3