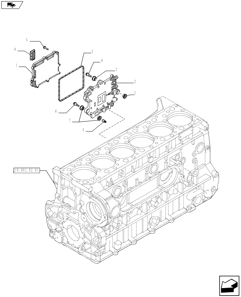
Запчасти Case F2CE9684P E024 (55.640.01) - ELECTRONIC INJECTION (504242803) (55) - ELECTRICAL SYSTEMS

Схема запчастей Case F2CE9684P E024 - (55.640.01) - ELECTRONIC INJECTION (504242803) (55) - ELECTRICAL SYSTEMS
3
2
6
7
1
7
4
10.001.02 01
6
8
home
7
5
FIT
1:1
100%

Артикул

Название

Примечание

Количество

1

2854594

ECU

1шт.

2

504097239

SUPPORT

1шт.

3

504184521

GASKET

1шт.

4

99475194

SPACER

1шт.

5

16586024

SCREW,M8 x 30mm

M6 x 30

8шт.

6

16586824

SCREW,M8 x 45mm

M8 x 45

3шт.

7

98498817

ISOLATOR

6шт.

8

504043102

PLUG

1шт.

Выбрано товаров: 8