Запчасти Case F2CE9684P E033 (0.10.0) - TIMING GEARS, CAMSHAFT

Схема запчастей Case F2CE9684P E033 - (0.10.0) - TIMING GEARS, CAMSHAFT
0.06.0
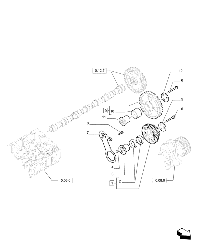
7
8
6
0.12.5
5
4
3
2
11
12
10
9
0.08.0
6
1
FIT
1:1
100%

Артикул

Название

Примечание

Количество

1

504124648

GEAR

Incl 2

1шт.

2

504001674

BUSHING

2шт.

3

504127832

SPACER

1шт.

4

504002500

DOWEL

1шт.

5

504128376

WASHER, THRUST

WASHER,THRUST

1шт.

6

16679034

BOLT,M12 x 90mm

6шт.

7

504126996

RETAINER

1шт.

8

18138324

SCREW,M8 x 1.25 x 16mm

1шт.

9

504124654

GEAR

Incl 10

1шт.

10

99432141

BUSHING

1шт.

11

504133017

SPACER

1шт.

12

99483931

LOCK WASHER

1шт.

Выбрано товаров: 12