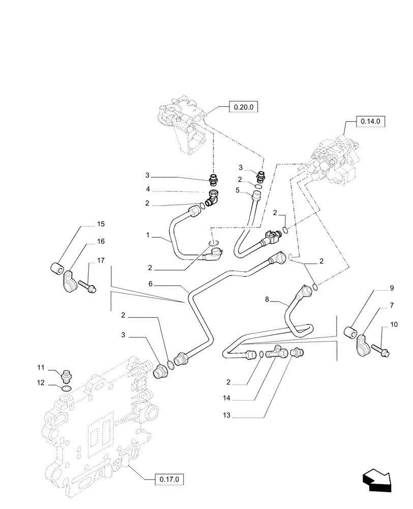
Запчасти Case F2CE9684P E033 (0.20.3) - FUEL LINES & RELATED PARTS

Схема запчастей Case F2CE9684P E033 - (0.20.3) - FUEL LINES & RELATED PARTS
2
0.17.0
3
2
2
0.20.0
2
16
6
13
10
2
17
2
14
12
0.14.0
5
1
15
7
2
3
3
8
11
4
9
FIT
1:1
100%

Артикул

Название

Примечание

Количество

1

504127214

TUBE

1шт.

2

4894095

O-RING,2.5mm Thk x 8mm ID, 60 Duro

8шт.

3

504081275

HYD CONNECTOR

3шт.

4

16503914

ELBOW UNION

Union Elbow

1шт.

5

504160371

PIPE

1шт.

6

504127213

PIPE

1шт.

7

4895462

CLAMP

2шт.

8

504181184

PIPE

1шт.

9

13605711

SPACER

1шт.

10

2852323

SCREW,M8 x 1.25 x 14mm

1шт.

11

16500315

HYD CONNECTOR

1шт.

12

98474309

GASKET,16mm ID x 24mm OD x 1.9mm Thk

1шт.

13

41034988

UNION

1шт.

14

16504614

TEE

1шт.

15

8780153

1шт.

16

500391414

STRAP

1шт.

17

16708734

ELEC CONNECTOR

1шт.

Выбрано товаров: 0