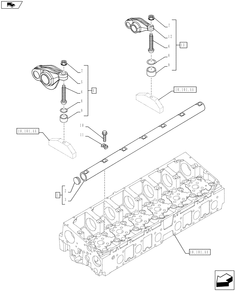
Запчасти Case F2CE9684U E026 (10.106.AP) - ROCKSHAFT (10) - ENGINE

Схема запчастей Case F2CE9684U E026 - (10.106.AP) - ROCKSHAFT (10) - ENGINE
2
12
11
8
6
10.101.aa
1
13
8
1
7
10.101.aa
9
6
9
10
3
10.101.aa
1
4
home
5
7
FIT
1:1
100%

Артикул

Название

Примечание

Количество

1

504189213

SHAFT

ASSY, Incl 2, 3

1шт.

2

16988301

PLUG,Lock, 20mm Dia

2шт.

3

NSS

NOT SOLD SEPARAT

Shaft, Incl in 1

1шт.

4

504127124

ROCKER ARM

Intake, ASSY, Incl 5-9

6шт.

5

NSS

NOT SOLD SEPARAT

Arm, Incl in 4

1шт.

6

NSS

NOT SOLD SEPARAT

Screw, Incl in 4 and 13

2шт.

7

504059553

NUT

2шт.

8

NSS

NOT SOLD SEPARAT

Ring, Incl in 4 and 13

12шт.

9

500300903

SLIDING PAD

2шт.

10

16679435

BOLT

7шт.

11

504188241

SPACER

7шт.

12

NSS

NOT SOLD SEPARAT

Arm, Incl in 13

1шт.

13

504165682

ROCKER ARM

Exhaust, ASSY, Incl 6-9, 12

6шт.

Выбрано товаров: 13