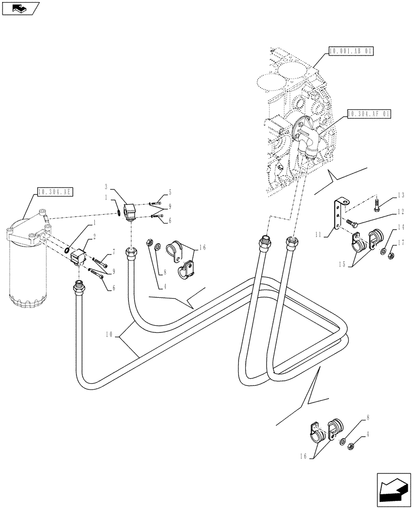
Запчасти Case F2CE9684U E026 (10.304.AF[02]) - LUBRICATION LINE (10) - ENGINE

Схема запчастей Case F2CE9684U E026 - (10.304.AF[02]) - LUBRICATION LINE (10) - ENGINE
7
16
10
8
4
10.304.ae
9
11
3
1
5
16
6
10.304.af 01
15
17
9
6
2
1
home
4
1
8
12
14
1
10.001.ab 01
13
FIT
1:1
100%

Артикул

Название

Примечание

Количество

1

2852978

O-RING,0.103" Thk x 0.924" ID, -119, Cl 7, 75 Duro

2шт.

2

504005572

ELBOW

1шт.

3

98481998

FITTING

1шт.

4

2852389

FLANGE NUT

3шт.

5

16689724

SCREW,M6 x 45mm

M6 x 45

2шт.

6

16689824

SCREW,M6 x 50mm

M6 x 50

4шт.

7

16689924

SCREW

2шт.

8

10519624

WASHER,8.15mm ID x 17mm OD x 2mm Thk

D=6

3шт.

9

11197774

BELLEVILLE WASHER,M6 Bolt Size x 12mm OD x 1.2mm Thk

D=6

8шт.

10

504218108

HYD TUBE

2шт.

11

500320255

BRACKET

1шт.

12

16585870

SCREW,Hex, M6 x 20mm

1шт.

13

2852323

SCREW,M8 x 1.25 x 14mm

M8 x 14

1шт.

14

9824259

WASHER,6.4mm ID x 12mm OD x 1.6mm Thk

D=6

1шт.

15

17315790

CLAMP

2шт.

16

17317390

CLAMP

D=28

6шт.

17

16750125

M6

NUT

1шт.

Выбрано товаров: 17