Запчасти Case F2CE9684U E026 (55.015.AA) - ENGINE - ELECTRONIC CONTROL UNIT (55) - ELECTRICAL SYSTEMS

Схема запчастей Case F2CE9684U E026 - (55.015.AA) - ENGINE - ELECTRONIC CONTROL UNIT (55) - ELECTRICAL SYSTEMS
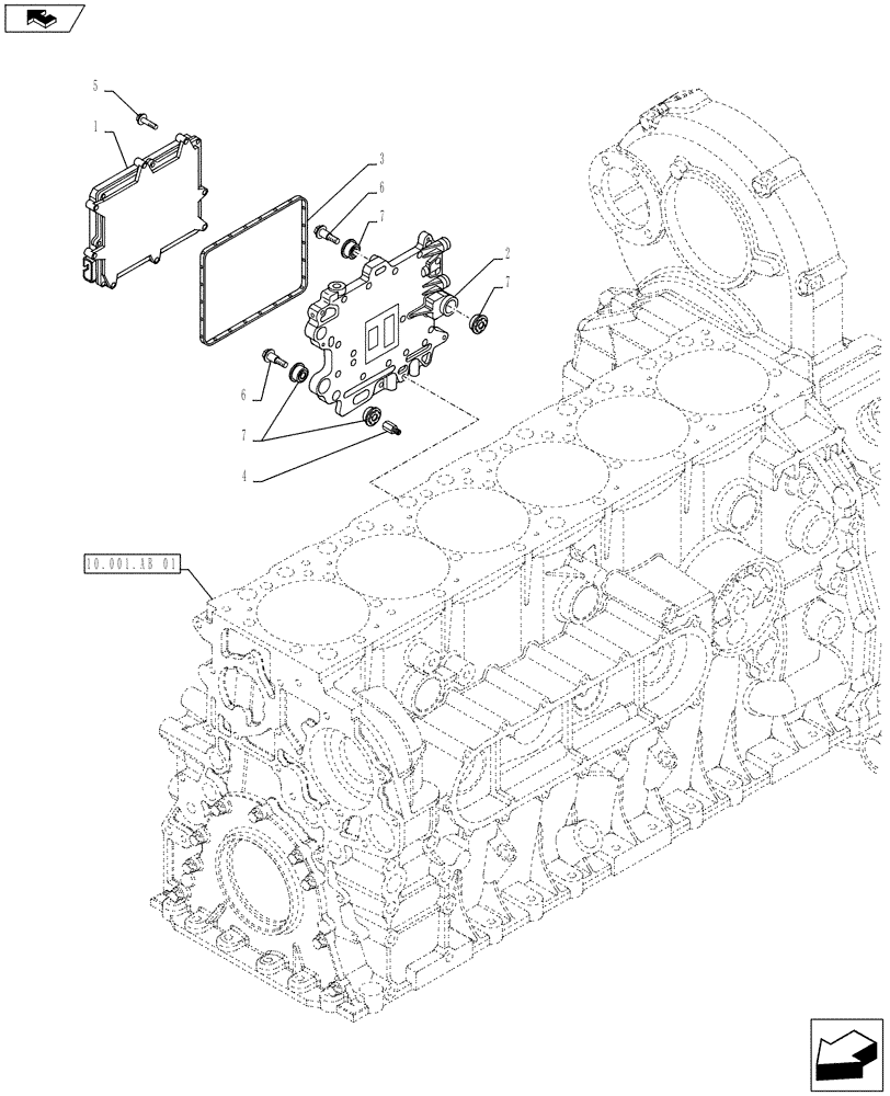
1
3
5
7
4
7
6
10.001.ab 01
home
7
2
6
FIT
1:1
100%

Артикул

Название

Примечание

Количество

1

2854594

ECU

1шт.

1

2854594R

REMAN-MODULE

1шт.

1

2854594C

CORE-MODULE

Return Number

1шт.

2

504097239

SUPPORT

1шт.

3

504184521

GASKET

1шт.

4

99475194

SPACER

2шт.

5

2854083

BOLT,Flng, M6 x 1 x 30mm

M6 x 30

8шт.

6

16586825

BOLT,Hex, M8 x 1.25 x 45mm

M8 x 45

3шт.

7

98498817

ISOLATOR

6шт.

Выбрано товаров: 9