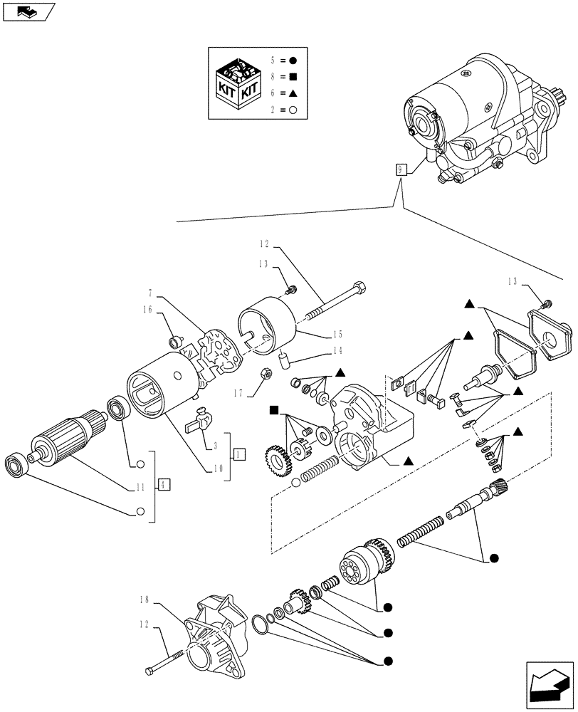
Запчасти Case F2CE9684U E026 (55.201.AE[02]) - STARTER MOTOR, COMPONENTS (55) - ELECTRICAL SYSTEMS

Схема запчастей Case F2CE9684U E026 - (55.201.AE[02]) - STARTER MOTOR, COMPONENTS (55) - ELECTRICAL SYSTEMS
6
6
2
13
2
9
5
1
home
1
1
3
10
6
16
6
8
8
12
13
17
5
5
6
8
14
2
12
2
18
4
5
5
6
6
5
7
6
15
FIT
1:1
100%

Артикул

Название

Примечание

Количество

1

42471365

STATOR

ASSY, Incl 3, 10

1шт.

2

42471382

KIT, STARTER MTR REP

1шт.

3

42471367

COVER

1шт.

4

42471368

ARMATURE

ASSY, Incl 2, 11

1шт.

5

42471369

KIT, STARTER MTR REP

1шт.

6

42471370

KIT, STARTER MTR REP

1шт.

7

8093758

BRUSH SET

1шт.

8

8093757

KIT, STARTER MTR REP

1шт.

9

99432760

STARTER MOTOR

ASSY, Incl 1, 2, 4, 5-8, 12-17

1шт.

9

99432760R

REMAN-STARTER

1шт.

9

99432760C

CORE-STARTER

Return Number

1шт.

10

NSS

NOT SOLD SEPARAT

Body, Incl in 1

1шт.

11

NSS

NOT SOLD SEPARAT

Armanture, Incl in 4

1шт.

12

NSS

NOT SOLD SEPARAT

Screw, Incl in 9

2шт.

13

NSS

NOT SOLD SEPARAT

Screw, Incl in 9

2шт.

14

NSS

NOT SOLD SEPARAT

Set srew, Incl in 9

1шт.

15

NSS

NOT SOLD SEPARAT

Housing, Incl in 9

1шт.

16

NSS

NOT SOLD SEPARAT

Bush, Incl in 9

1шт.

17

NSS

NOT SOLD SEPARAT

Nut, Incl in 9

1шт.

18

NSS

NOT SOLD SEPARAT

Body, Incl in 9

1шт.

Выбрано товаров: 20