Запчасти Case F2CE9684U E151 (10.206.02) - FILTER ENGINE OIL (504221058) (01) - ENGINE

Схема запчастей Case F2CE9684U E151 - (10.206.02) - FILTER ENGINE OIL (504221058) (01) - ENGINE
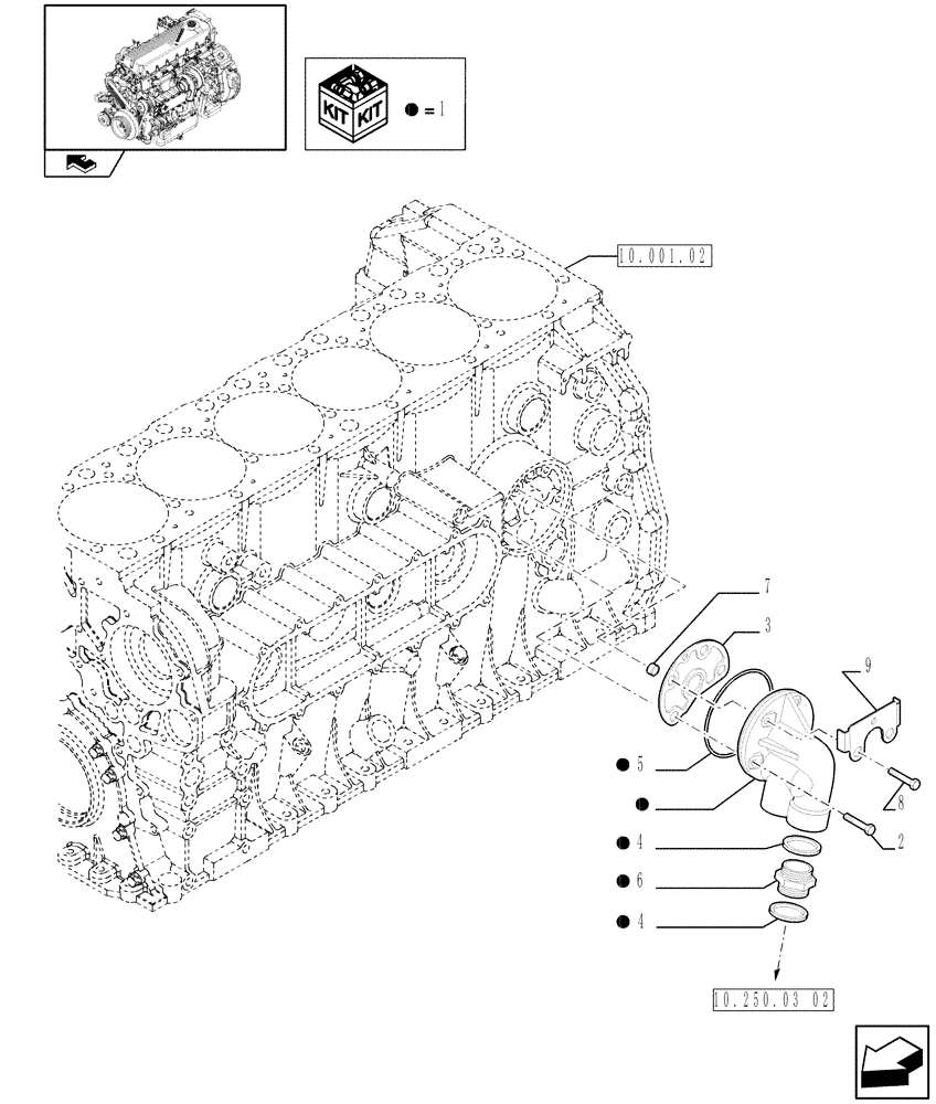
10.001.02
1
9
1
10.250.03 02
home
6
1
1
7
5
4
2
1
3
1
1
8
4
FIT
1:1
100%

Артикул

Название

Примечание

Количество

1

504190449

BRACKET

1шт.

2

16586525

BOLT,Hex, M8 x 30mm, Cl 8.8

M8 x 30

2шт.

3

504147366

GASKET

1шт.

4

99434480

SEAL

D = 30 x 40 mm

2шт.

5

17291881

GASKET

M113.89 x 3.53

1шт.

6

504037176

FITTING

M30 x 2

1шт.

7

17816414

SPACER

D = 8,5 x 18 SP=20

2шт.

8

16592224

SCREW,M8 x 55mm

M8 x 55

2шт.

9

504213767

RETAINER

1шт.

Выбрано товаров: 9