Запчасти Case F2CFA614A E010 (10.400.AQ) - RADIATOR & HOSE (10) - ENGINE

Схема запчастей Case F2CFA614A E010 - (10.400.AQ) - RADIATOR & HOSE (10) - ENGINE
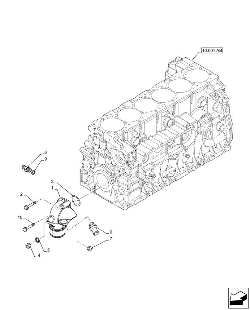
6
7
10.001.ab
10
8
1
4
2
3
9
5
FIT
1:1
100%

Артикул

Название

Примечание

Количество

1

504382476

MANIFOLD

1шт.

2

16586925

BOLT,M8 x 50mm

M8 x 50 mm

1шт.

3

14464681

O-RING,56.74mm ID x 2.512" OD x 3.53mm

D=56,74 mm Sp=3,53

1шт.

4

16993011

PLUG

M30 x 1,5

1шт.

5

99434480

SEAL

D=30 x 40 mm

1шт.

6

504365410

FITTING

1шт.

7

99430692

PLUG

D=1/2

1шт.

8

504321291

MANIFOLD

1шт.

9

5169544

SEAL,14.7mm ID x 22mm OD x 1.5mm Thk

D=12 mm

1шт.

10

16592225

BOLT,M8 x 55mm

1шт.

Выбрано товаров: 10