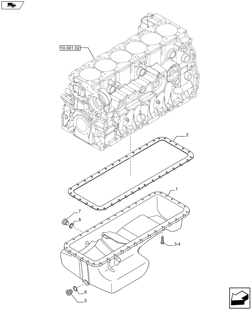
Запчасти Case F2CFA614B E019 (10.102.01) - OIL SUMP & RELATED PARTS (504377675) (Dec 2 2011 10:30:00.5561 AM) (10) - ENGINE

Схема запчастей Case F2CFA614B E019 - (10.102.01) - OIL SUMP & RELATED PARTS (504377675) (Dec 2 2011 10:30:00.5561 AM) (10) - ENGINE
10.001.02
3-4
8
6
5
home
7
2
1
FIT
1:1
100%

Артикул

Название

Примечание

Количество

1

504374980

SUMP

ASSY

1шт.

2

504384281

GASKET

1шт.

3

16587525

BOLT,M10 x 45mm

M10 x 45 mm

26шт.

4

16587325

SCREW,Hex, M10 x 35mm

12шт.

5

504152596

DRAIN PLUG

D = 22 x 27 x 1.5 mm

1шт.

6

2852978

O-RING,0.103" Thk x 0.924" ID, -119, Cl 7, 75 Duro

M22 x 1.5

1шт.

7

5801383773

PLUG

1шт.

8

99489017

GASKET,9.9mm ID x 20mm OD x 2.5mm Thk

1шт.

Выбрано товаров: 8