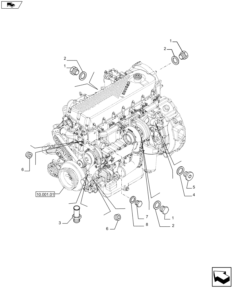
Запчасти Case F2CFA614B E019 (10.400.01) - PIPING - ENGINE COOLING SYSTEM (504032236-5801368755-504051325-504088291/92-504236580/81-504223088-5801409206) (10) - ENGINE

Схема запчастей Case F2CFA614B E019 - (10.400.01) - PIPING - ENGINE COOLING SYSTEM (504032236-5801368755-504051325-504088291/92-504236580/81-504223088-5801409206) (10) - ENGINE
1
10.001.01
2
1
8
4
7
home
5
3
2
6
2
6
1
FIT
1:1
100%

Артикул

Название

Примечание

Количество

1

10300714

PLUG,M16 x 1.5 x 14

M16 x 1.5

5шт.

2

99489019

SEALING WASHER

16 x 24 x 1,5

5шт.

3

99464284

FITTING

M30 x 1.5

1шт.

4

99469382

SEAL

42 x 50 x 2

1шт.

5

4665029

PLUG

M42 x 1.5

1шт.

6

99430692

PLUG

1/2"

2шт.

7

10902611

BOLT,Hex, M6 x 1.25 x 25, 5.8, Full Thd

1шт.

8

87332142

SEAL,23.5mm ID x 30mm OD x 1.5mm Thk

22 x 30 x 1,5

1шт.

Выбрано товаров: 8