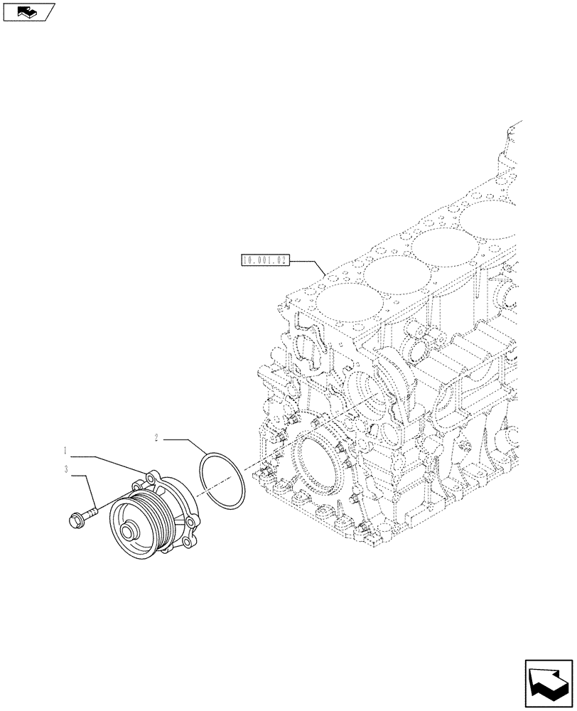
Запчасти Case F2CFA614B E020 (10.402.02) - WATER PUMP & RELATED PARTS (504361542) (Jul 6 2011 5:47:00.5620 AM) (10) - ENGINE

Схема запчастей Case F2CFA614B E020 - (10.402.02) - WATER PUMP & RELATED PARTS (504361542) (Jul 6 2011 5:47:00.5620 AM) (10) - ENGINE
3
10.001.02
1
2
home
17
14
19
18
6
5
4
26
22
b
b
10
10
10
10
27
16
15
16
11
9
7
8
20
8
20
20
8
7
7
8
20
9
12
13
19
23
FIT
1:1
100%

Артикул

Название

Примечание

Количество

1

504361543

WATER PUMP

1шт.

2

17291781

GASKET

M110.72 x 3.53

1шт.

3

16673735

BOLT,Hex, M8 x 1.25 x 25mm

M8 x 25

4шт.

Выбрано товаров: 3