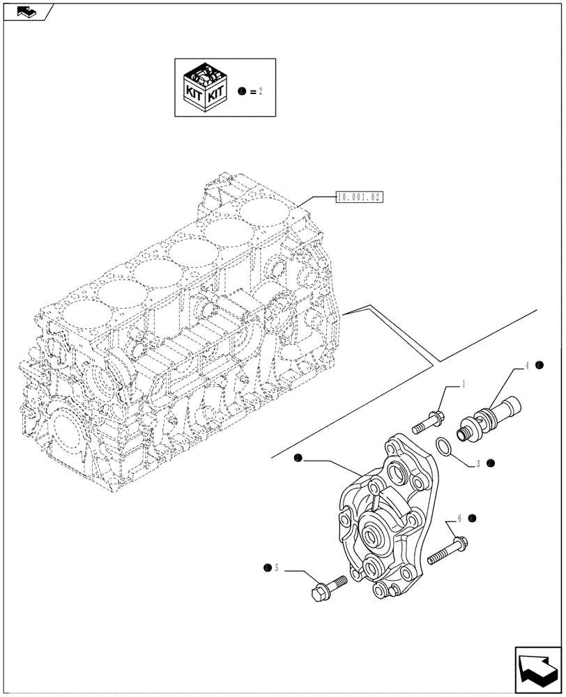
Запчасти Case F2CFA614C E020 (10.304.01 01) - PUMP, ENGINE OIL & RELATED PARTS (504133121) (10) - ENGINE

Схема запчастей Case F2CFA614C E020 - (10.304.01 01) - PUMP, ENGINE OIL & RELATED PARTS (504133121) (10) - ENGINE
4
1
5
2
2
3
2
2
2
2
2
6
home
10.001.02
FIT
1:1
100%

Артикул

Название

Примечание

Количество

1

500355363

SCREW

M8 x 1.25 x 60

5шт.

1

504010370

BOLT

M8 x 1.25 x 45

3шт.

2

504131225

ENGINE OIL PUMP

ASSY

1шт.

3

14457681

O-RING,0.103" Thk x 0.862" ID, -118, Cl 7, 75 Duro

D = 21.8 x 2.6 mm

1шт.

4

500304389

SAFETY VALVE

1шт.

5

18137825

BOLT,Hex, M6 x 16mm

M6 x 16 mm

1шт.

6

16591725

SCREW,Hex, M6 x 40mm

1шт.

Выбрано товаров: 7