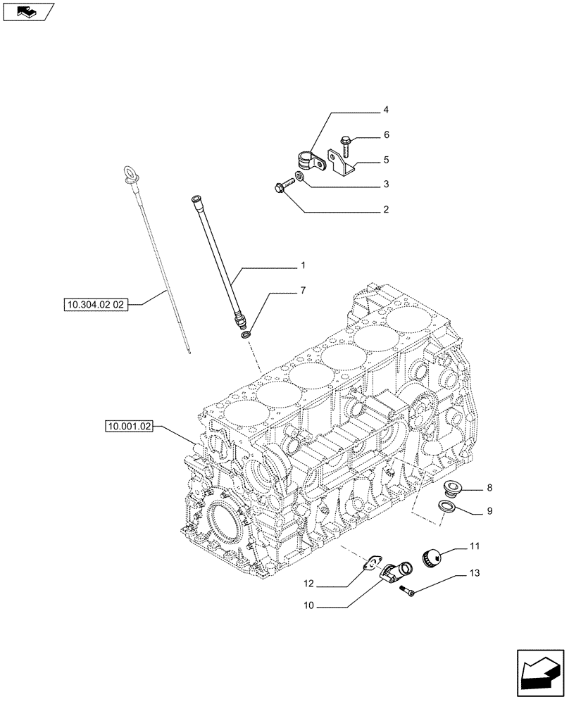
Запчасти Case F2CFA614C E020 (10.304.02 01) - OIL LEVEL CHECK (5801426012 - 504055391 - 5801425419) (Dec 2 2011 10:30:00.5542 AM) (10) - ENGINE

Схема запчастей Case F2CFA614C E020 - (10.304.02 01) - OIL LEVEL CHECK (5801426012 - 504055391 - 5801425419) (Dec 2 2011 10:30:00.5542 AM) (10) - ENGINE
3
6
4
12
8
10.001.02
1
10
home
7
9
2
10.304.02 02
11
5
13
FIT
1:1
100%

Артикул

Название

Примечание

Количество

1

5801426014

TUBE

1шт.

2

16586225

BOLT,M8 x 16mm

1шт.

3

16666716

WASHER

1шт.

4

17316699

CLAMP

D = 14 mm

1шт.

5

4791406

BRACKET

1шт.

6

16587025

SCREW,Hex, M10 x 20mm, Cl 8.8

1шт.

7

5167640

SEALING WASHER,14.09mm ID x 26.45mm OD x 1.5mm Thk

D = 18 x 26 mm SP = 1,5 mm

1шт.

8

11903211

PLUG,M12 x 1.25 x 12, Cl5.8

1шт.

9

99489017

GASKET,9.9mm ID x 20mm OD x 2.5mm Thk

D = 12 x 20 mm SP = 1,5 mm

2шт.

10

5801425422

NECK FILLER

1шт.

11

2852136

CAP,48mm ID x 56mm OD x 18mm W

1шт.

12

504314384

GASKET

1шт.

13

16673635

BOLT,Hex, M8 x 1.25 x 20mm, Full Thd

2шт.

Выбрано товаров: 13