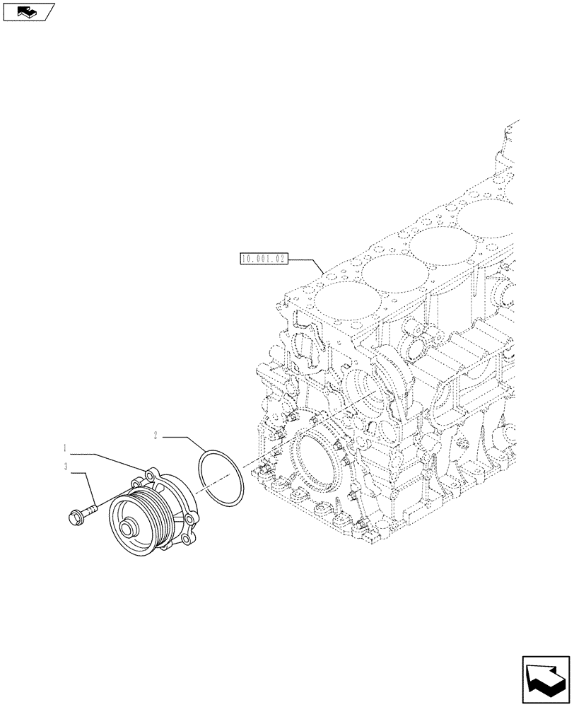
Запчасти Case F2CFA614C E020 (10.402.02) - WATER PUMP & RELATED PARTS (504361542) (10) - ENGINE

Схема запчастей Case F2CFA614C E020 - (10.402.02) - WATER PUMP & RELATED PARTS (504361542) (10) - ENGINE
2
10.001.02
3
1
home
FIT
1:1
100%

Артикул

Название

Примечание

Количество

1

504361543

WATER PUMP

1шт.

2

17291781

GASKET

M110.72 x 3.53

1шт.

3

16673735

BOLT,Hex, M8 x 1.25 x 25mm

M8 x 25

4шт.

Выбрано товаров: 3