Качественные детали и логистика
Оригинальные и аналоговые запчасти с доставкой по России, Казахстану и Беларуси
©2022 PartSell ООО "Система" ИНН 2463123282 ОГРН 1212400004838
Центральный офис: г. Красноярск, Академика Киренского, д.87, пом.4
Телефон: 8 (800) 777-65-74 Email: zakaz@partsell.ru
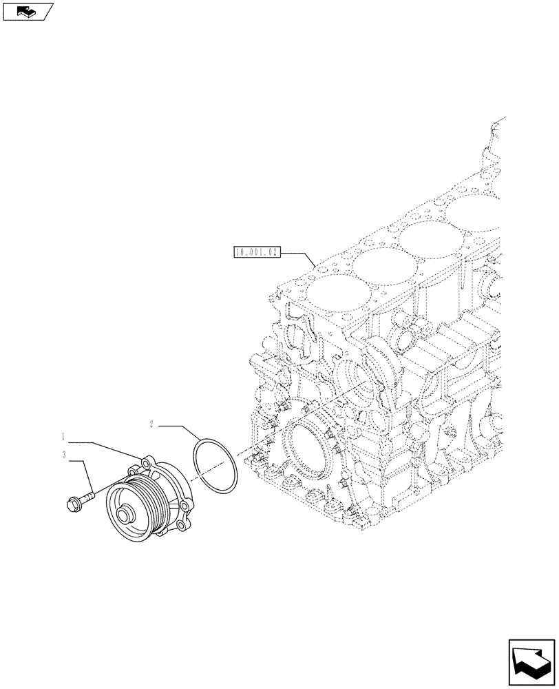
(10.402.02) - WATER PUMP & RELATED PARTS (504361542) (Jul 6 2011 5:49:00.5712 AM)
№
Артикул
Название
Примечание
Количество
1
504361543
WATER PUMP
1шт.
2
17291781
GASKET
M110.72 x 3.53
3
16673735
BOLT,Hex, M8 x 1.25 x 25mm
M8 x 25
4шт.
Выбрано товаров: 3