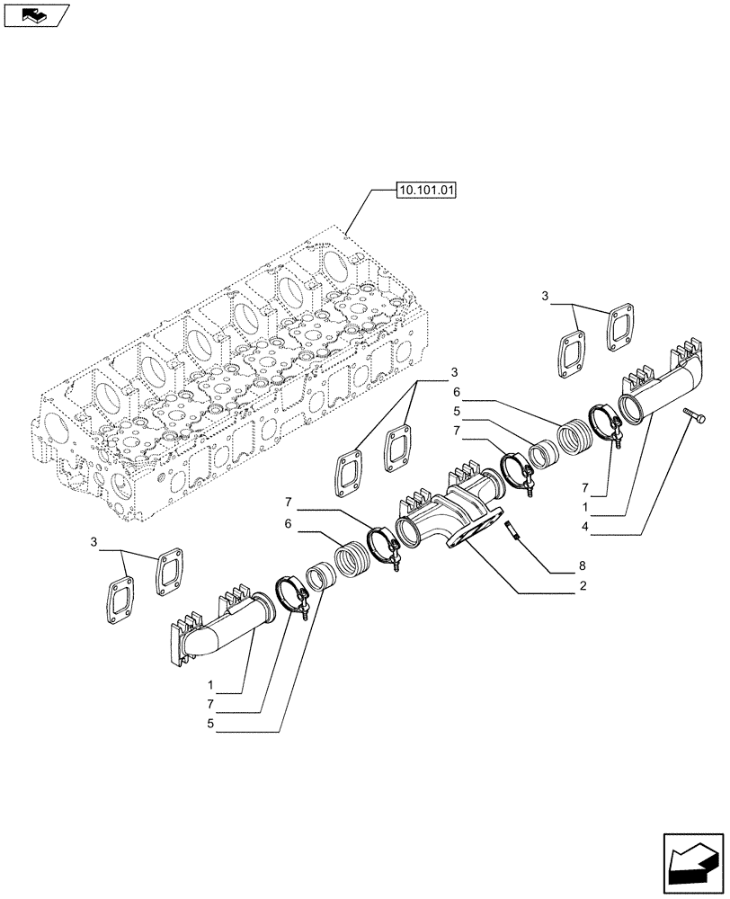
Запчасти Case F2CFE614B A003 (10.254.05) - EXHAUST MANIFOLD (504389651) (Dec 2 2011 10:31:00.5749 AM) (10) - ENGINE

Схема запчастей Case F2CFE614B A003 - (10.254.05) - EXHAUST MANIFOLD (504389651) (Dec 2 2011 10:31:00.5749 AM) (10) - ENGINE
home
8
6
1
7
7
6
3
7
7
3
4
5
1
10.101.01
5
2
3
FIT
1:1
100%

Артикул

Название

Примечание

Количество

1

504030843

EXHAUST MANIFOLD

2шт.

2

504389655

EXHAUST MANIFOLD

1шт.

3

504154202

GASKET

6шт.

4

99443210

SCREW,M10 x 1.5 x 40

24шт.

5

2859382

LOCKING RING

2шт.

6

99454992

RING

2шт.

7

500305814

HOSE CLIP

4шт.

8

16731370

STUD

2шт.

Выбрано товаров: 8