Запчасти Case F2CFE614B A003 (10.402.03) - WATER PUMP PIPES (504385031) (Dec 2 2011 10:31:00.5759 AM) (10) - ENGINE

Схема запчастей Case F2CFE614B A003 - (10.402.03) - WATER PUMP PIPES (504385031) (Dec 2 2011 10:31:00.5759 AM) (10) - ENGINE
home
2
3
4
1
10.001.02
5
6
10.400.01
FIT
1:1
100%

Артикул

Название

Примечание

Количество

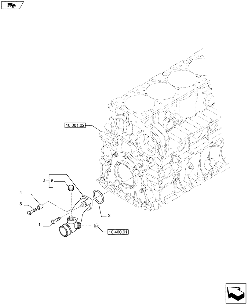
1

16586925

BOLT,M8 x 50mm

M8 x 50

1шт.

2

14464681

O-RING,56.74mm ID x 2.512" OD x 3.53mm

D = 56.74 x 3.53 mm

1шт.

3

504385032

MANIFOLD

1шт.

4

504253853

SPACER

1шт.

5

16592525

BOLT,M8 x 1.25 x 70mm

1шт.

6

504113860

PLUG,Threaded, 1/2"

D = 1/2"

1шт.

Выбрано товаров: 6