Запчасти Case F2CFE614B B006 (10.304.AJ) - OIL FILLER (10) - ENGINE

Схема запчастей Case F2CFE614B B006 - (10.304.AJ) - OIL FILLER (10) - ENGINE
8
10.001.ab
9
6
4
3
10
5
1
2
7
FIT
1:1
100%

Артикул

Название

Примечание

Количество

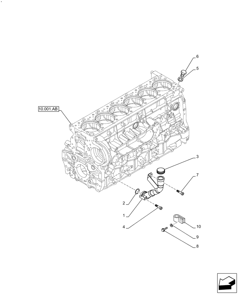
1

504386150

NECK FILLER

1шт.

2

17283181

O-RING

1шт.

3

98429552

CAP

1шт.

4

16691324

HEX SOC SCREW,M8 x 60mm

2шт.

5

99489017

GASKET,9.9mm ID x 20mm OD x 2.5mm Thk

1шт.

6

11903211

PLUG,M12 x 1.25 x 12, Cl5.8

1шт.

7

16673635

BOLT,Hex, M8 x 1.25 x 20mm, Full Thd

1шт.

8

16600224

SCREW,Hex, M8 x 1.25 x 18mm

1шт.

9

17094924

WASHER

1шт.

10

17316699

CLAMP

1шт.

Выбрано товаров: 10