Запчасти Case F2CFE614B B006 (10.400.AQ) - RADIATOR WATER PUMP HOSES (10) - ENGINE

Схема запчастей Case F2CFE614B B006 - (10.400.AQ) - RADIATOR WATER PUMP HOSES (10) - ENGINE
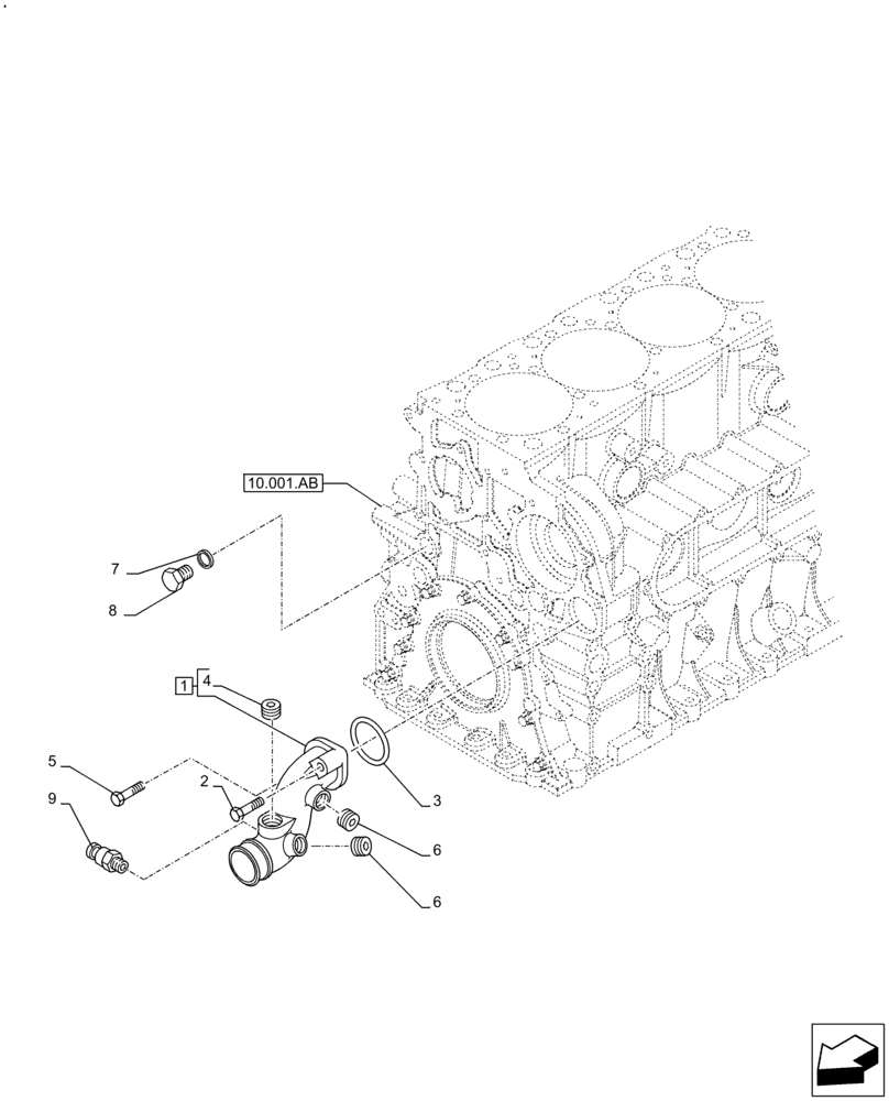
8
4
5
6
1
7
6
3
2
10.001.ab
9
FIT
1:1
100%

Артикул

Название

Примечание

Количество

1

504385032

MANIFOLD

ASSY, Incl 4

1шт.

2

16586925

BOLT,M8 x 50mm

2шт.

3

17290081

GASKET

1шт.

4

504113860

PLUG,Threaded, 1/2"

1шт.

5

16592525

BOLT,M8 x 1.25 x 70mm

1шт.

6

99430692

PLUG

2шт.

7

99489022

GASKET,22mm ID x 30mm OD x 1.50mm Thk

1шт.

8

16992611

PLUG

1шт.

9

99464284

FITTING

1шт.

Выбрано товаров: 9