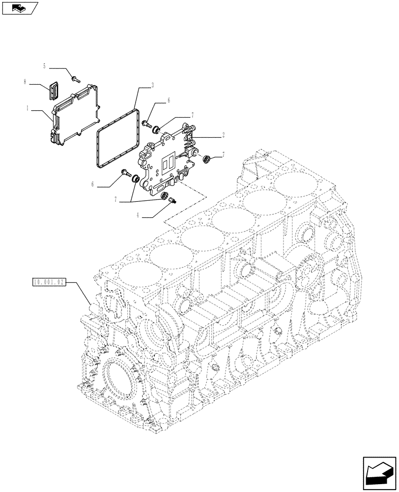
Запчасти Case F2CFE614C A002 (55.440.01) - ELECTRONIC INJECTION (504182263) (Jul 6 2011 5:49:00.5812 AM) (55) - ELECTRICAL SYSTEMS

Схема запчастей Case F2CFE614C A002 - (55.440.01) - ELECTRONIC INJECTION (504182263) (Jul 6 2011 5:49:00.5812 AM) (55) - ELECTRICAL SYSTEMS
1
7
6
5
3
6
8
7
7
4
2
10.001.02
home
FIT
1:1
100%

Артикул

Название

Примечание

Количество

1

2854594

ECU

1шт.

2

504097239

SUPPORT

1шт.

3

504070042

GASKET

1шт.

4

99475194

SPACER

1шт.

5

2854083

BOLT,Flng, M6 x 1 x 30mm

M6 x 30

8шт.

6

16586825

BOLT,Hex, M8 x 1.25 x 45mm

M8 x 45

3шт.

7

98498817

ISOLATOR

6шт.

8

504043102

PLUG

1шт.

Выбрано товаров: 8