Качественные детали и логистика
Оригинальные и аналоговые запчасти с доставкой по России, Казахстану и Беларуси
©2022 PartSell ООО "Система" ИНН 2463123282 ОГРН 1212400004838
Центральный офис: г. Красноярск, Академика Киренского, д.87, пом.4
Телефон: 8 (800) 777-65-74 Email: zakaz@partsell.ru
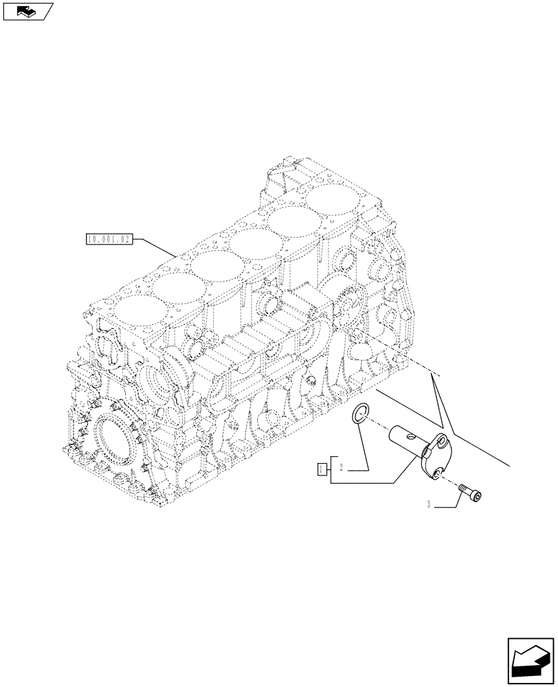
(10.206.02 02) - OIL PRESSURE REGULATION VALVE (504191874) (Jul 6 2011 5:49:00.5787 AM)
№
Артикул
Название
Примечание
Количество
1
504191876
VALVE
ASSY
1шт.
2
14463281
O-RING,0.984" ID x 0.139" Width
D = 24.9 x 3.5 mm
3
18053625
SCREW,M8 x 16mm
M8 x 16
2шт.
Выбрано товаров: 0