Качественные детали и логистика
Оригинальные и аналоговые запчасти с доставкой по России, Казахстану и Беларуси
©2022 PartSell ООО "Система" ИНН 2463123282 ОГРН 1212400004838
Центральный офис: г. Красноярск, Академика Киренского, д.87, пом.4
Телефон: 8 (800) 777-65-74 Email: zakaz@partsell.ru
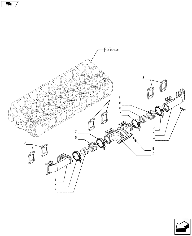
(10.254.05) - EXHAUST MANIFOLD
№
Артикул
Название
Примечание
Количество
1
504030843
EXHAUST MANIFOLD
2шт.
2
504389655
1шт.
3
504154202
GASKET
6шт.
4
99443210
SCREW,M10 x 1.5 x 40
24шт.
5
2859382
LOCKING RING
6
99454992
RING
7
500305814
HOSE CLIP
4шт.
8
16731370
STUD
Выбрано товаров: 8