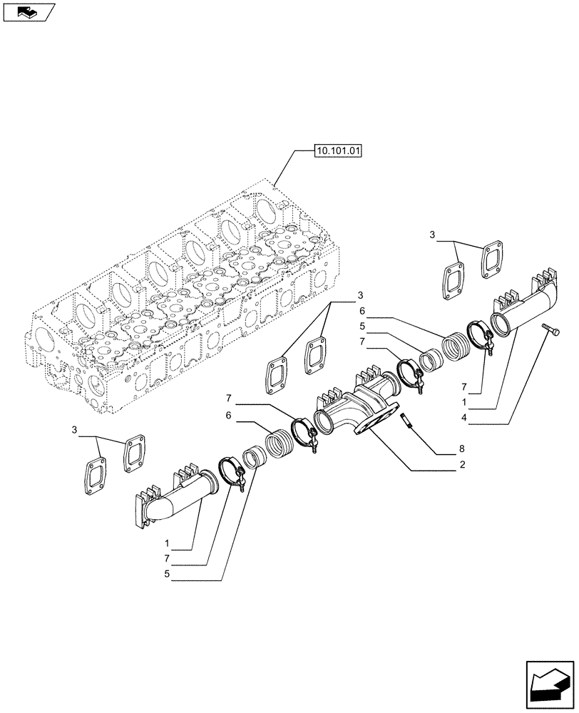
Запчасти Case F2CFE614D A004 (10.254.05) - EXHAUST MANIFOLD (504389651) (10) - ENGINE

Схема запчастей Case F2CFE614D A004 - (10.254.05) - EXHAUST MANIFOLD (504389651) (10) - ENGINE
1
3
home
8
4
7
7
7
10.101.01
3
7
2
5
1
6
3
5
6
FIT
1:1
100%

Артикул

Название

Примечание

Количество

1

504030843

EXHAUST MANIFOLD

2шт.

2

504389655

EXHAUST MANIFOLD

1шт.

3

504154202

GASKET

6шт.

4

99443210

SCREW,M10 x 1.5 x 40

24шт.

5

2859382

LOCKING RING

2шт.

6

99454992

RING

2шт.

7

500305814

HOSE CLIP

4шт.

8

16731370

STUD

2шт.

Выбрано товаров: 8