Качественные детали и логистика
Оригинальные и аналоговые запчасти с доставкой по России, Казахстану и Беларуси
©2022 PartSell ООО "Система" ИНН 2463123282 ОГРН 1212400004838
Центральный офис: г. Красноярск, Академика Киренского, д.87, пом.4
Телефон: 8 (800) 777-65-74 Email: zakaz@partsell.ru
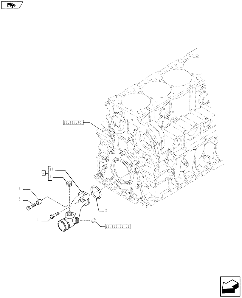
(10.402.03) - WATER PUMP PIPES (504385031)
№
Артикул
Название
Примечание
Количество
1
16586925
BOLT,M8 x 50mm
M8 x 50
1шт.
2
14464681
O-RING,56.74mm ID x 2.512" OD x 3.53mm
D = 56.74 x 3.53 mm
3
504385032
MANIFOLD
3a
NSS
NOT SOLD SEPARAT
4
504253853
SPACER
5
16592525
BOLT,M8 x 1.25 x 70mm
6
504113860
PLUG,Threaded, 1/2"
D = 1/2"
Выбрано товаров: 0