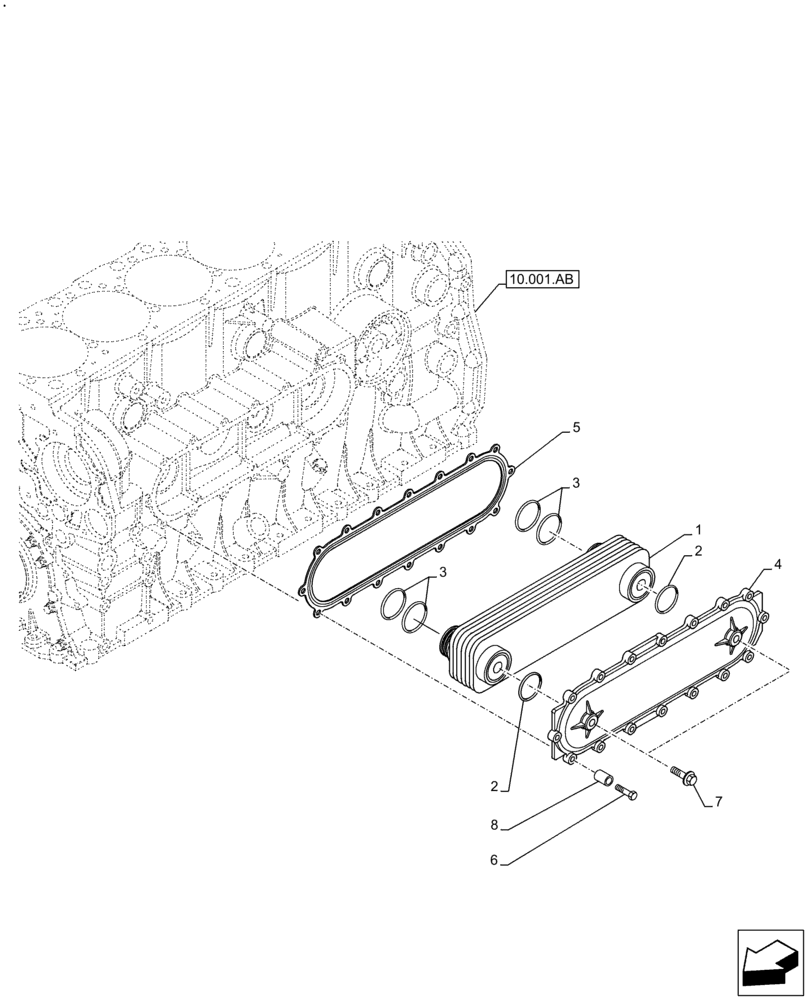
Запчасти Case F2CFE614E B006 (10.408.AC) - ENGINE, HEAT EXCHANGER (10) - ENGINE

Схема запчастей Case F2CFE614E B006 - (10.408.AC) - ENGINE, HEAT EXCHANGER (10) - ENGINE
4
6
1
3
10.001.ab
2
3
7
8
5
2
FIT
1:1
100%

Артикул

Название

Примечание

Количество

1

504127469

OIL COOLER

1шт.

2

17283481

O-RING

D=42.5 mm, SP=2.6 mm

2шт.

3

17289781

O-RING

D=47.22 mm, SP=3.55 mm

4шт.

4

504127468

COVER

1шт.

5

504128027

GASKET

1шт.

6

16674434

SCREW

M8 x 50 mm

16шт.

7

16588025

SCREW,M12 x 30mm

M12 x 30 mm

2шт.

8

17816414

SPACER

D=8.5 x 18 mm, SP=20 mm

16шт.

Выбрано товаров: 8