Запчасти Case F2CFE614F B004 (10.254.AM) - INTAKE & EXHAUST MANIFOLD (10) - ENGINE

Схема запчастей Case F2CFE614F B004 - (10.254.AM) - INTAKE & EXHAUST MANIFOLD (10) - ENGINE
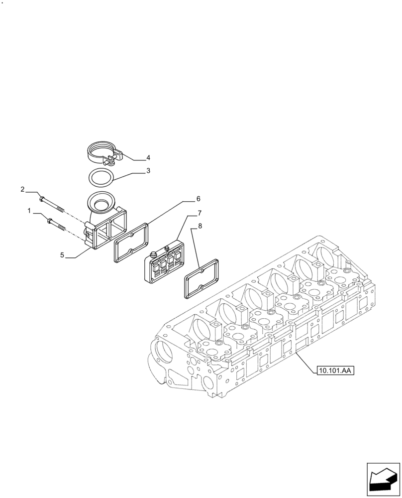
6
3
8
5
4
7
2
10.101.aa
1
FIT
1:1
100%

Артикул

Название

Примечание

Количество

1

16593125

BOLT,M10 x 100mm

M10 x 100 mm

5шт.

2

16599325

SCREW,M10 x 150mm

M10 x 150 mm

1шт.

3

17291281

GASKET,94.84mm ID x 3.53mm Thk

D=94,84 mm SP=3,53 mm

1шт.

4

99435103

COLLAR CLAMP

1шт.

5

504074687

MANIFOLD

1шт.

6

504026624

GASKET

1шт.

7

500324439

SPACER

1шт.

8

504026624

GASKET

1шт.

Выбрано товаров: 8