Запчасти Case F2CFE614F B004 (10.400.AQ) - WATER PUMP LINE (10) - ENGINE

Схема запчастей Case F2CFE614F B004 - (10.400.AQ) - WATER PUMP LINE (10) - ENGINE
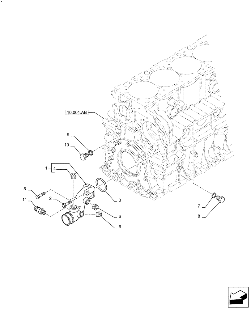
6
2
1
11
10.001.ab
3
5
7
6
4
8
10
9
FIT
1:1
100%

Артикул

Название

Примечание

Количество

1

504385032

MANIFOLD

Assy; Incl 4

1шт.

2

16586925

BOLT,M8 x 50mm

M8 x 50 mm

1шт.

3

14464681

O-RING,56.74mm ID x 2.512" OD x 3.53mm

D=56,74 mm SP=3,53 mm

1шт.

4

504113860

PLUG,Threaded, 1/2"

D=1/2

1шт.

5

16592525

BOLT,M8 x 1.25 x 70mm

M8 x 70 mm

1шт.

6

99430692

PLUG

D=1/2

2шт.

7

87332142

SEAL,23.5mm ID x 30mm OD x 1.5mm Thk

D=22 mm

1шт.

8

10305171

PLUG,M22 x 1.5 x 21

M22 x 1,5

1шт.

9

99489019

SEALING WASHER

M16 x 1,5

1шт.

10

10300714

PLUG,M16 x 1.5 x 14

D=16 x 24 mm SP=1,5

1шт.

11

99464284

FITTING

M30 x 1,5

1шт.

Выбрано товаров: 0